Linear Technology/Analog Devices DC1145BEVAL BOARD FOR LTC4267
Description
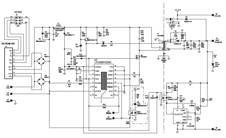
The Analog Devices DC1145B-B LTC4267CDHC Demo Board is a Power over Ethernet (PoE) powered device with a 12V isolated auxiliary output. It is designed for consumer electronics applications and provides a 12V output at 0.9A. The board is equipped with a wide range of features, including an adjustable output voltage, over-voltage protection, over-current protection, and short-circuit protection. It also has a built-in LED indicator to show the status of the output voltage. The board is designed to be easy to use and is suitable for a variety of consumer electronics applications.
Specifications
Linear Technology/Analog Devices technical specifications, attributes, parameters and parts with similar specifications to Linear Technology/Analog Devices .
- TypeParameter
- Lifecycle StatusPRODUCTION (Last Updated: 1 month ago)
- Factory Lead Time8 Weeks
- Number of Pins0
- Published2007
- Part StatusActive
- Moisture Sensitivity Level (MSL)1 (Unlimited)
- TypePower Management
- FunctionPower over Ethernet (PoE)
- Operating Supply Voltage39V
- Utilized IC / PartLTC4267
- Supplied ContentsBoard(s)
- Evaluation KitYes
- EmbeddedNo
- Length47mm
- REACH SVHCNo SVHC
- RoHS StatusROHS3 Compliant
0 Similar Products Remaining
Technical Documents
Associated Products
| Part Number | Manufacturer | Description | Stock | RFQ |
|---|---|---|---|---|
| Analog Devices, Inc. | 0 | RFQ |


Product
Brand
Articles
Tools














