Analog Devices Inc. AD8331-EVALZBOARD EVAL FOR AD8331
Description
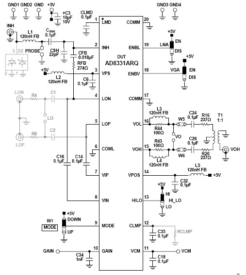
The Analog Devices AD8331-EVALZ is a 5V analog amplification module designed for use in radar and sonar applications, as well as military and aerospace applications. It features a wide bandwidth of up to 1.5GHz, low noise, and high linearity. The module is capable of providing up to 20dB of gain and has a low power consumption of only 1.5mA. It also features a wide operating temperature range of -40°C to +85°C, making it suitable for use in extreme environments. The AD8331-EVALZ is a reliable and robust solution for high-performance analog amplification.
Specifications
Analog Devices Inc. technical specifications, attributes, parameters and parts with similar specifications to Analog Devices Inc. .
- TypeParameter
- Lifecycle StatusPRODUCTION (Last Updated: 1 month ago)
- Factory Lead Time8 Weeks
- Package / CaseModule
- Number of Pins0
- PackagingBox
- SeriesX-AMP®
- Part StatusActive
- Moisture Sensitivity Level (MSL)1 (Unlimited)
- Max Operating Temperature85°C
- Min Operating Temperature-40°C
- Base Part NumberAD8331
- Output TypeDifferential
- Operating Supply Voltage5V
- Number of Channels1
- Operating Supply Current25mA
- Nominal Supply Current25mA
- Slew Rate650V/μs
- Amplifier TypeVariable Gain
- Voltage - Supply, Single/Dual (±)4.5V~5.5V
- Output Current per Channel165mA
- Utilized IC / PartAD8331
- Supplied ContentsBoard(s)
- Evaluation KitYes
- -3db Bandwidth120MHz
- Board TypeFully Populated
- Noise Figure4.15 dB
- Channels per IC1 - Single
- Current - Supply (Main IC)25mA
- REACH SVHCNo SVHC
- RoHS StatusROHS3 Compliant
- Lead FreeContains Lead
0 Similar Products Remaining
Technical Documents
Associated Products
| Part Number | Manufacturer | Description | Stock | RFQ |
|---|---|---|---|---|
| Microchip Technology | IC REG BOOST ADJ 0.5A 8MLF | 9017 | RFQ |


Product
Brand
Articles
Tools












