Analog Devices Inc. AD8347-EVALZEvaluation Board 0.8 GHZ To 2.7 GHZ Direct Conversion Quadrature Demodulator
Description
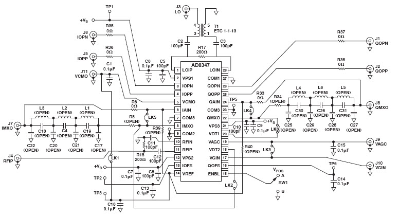
The Analog Devices AD8347-EVALZ Evaluation Board is designed for use with the AD8347 800 MHz to 2700 MHz Direct Conversion Quadrature Demodulator. This evaluation board provides a platform for testing and evaluating the performance of the AD8347 IC. It features a wide range of input and output connectors, allowing for easy connection to external test equipment. The board also includes a variety of on-board components, such as a power supply, voltage regulators, and a reference oscillator, to provide a complete evaluation solution. The AD8347-EVALZ Evaluation Board is an ideal tool for engineers and designers working with communications and telecom ICs.
Specifications
Analog Devices Inc. technical specifications, attributes, parameters and parts with similar specifications to Analog Devices Inc. .
- TypeParameter
- Lifecycle StatusPRODUCTION (Last Updated: 1 month ago)
- Factory Lead Time8 Weeks
- Package / CaseTSSOP
- Number of Pins0
- Part StatusActive
- Moisture Sensitivity Level (MSL)1 (Unlimited)
- TypeModulator
- Frequency800MHz~2.7GHz
- Base Part NumberAD8347
- Operating Supply Current64mA
- Nominal Supply Current64mA
- Supplied ContentsBoard(s)
- Evaluation KitYes
- Noise Figure11 dB
- P1dB-2 dBm
- RoHS StatusROHS3 Compliant
- Lead FreeContains Lead
0 Similar Products Remaining
Technical Documents
Associated Products
| Part Number | Manufacturer | Description | Stock | RFQ |
|---|---|---|---|---|
| Analog Devices Inc. | ANALOG DEVICES - AD8314ARMZ - RF DETECTOR/CONTROLLER, SMD, MSOP8 | 50 | RFQ | |
| Analog Devices Inc. | RF Detector RF Detector/Cntlr 100MHz-2.7GHz 45dB | 128 | RFQ | |
| Analog Devices Inc. | IC RF DETECT 100MHZ-2.7GHZ 8MSOP | 499 | RFQ |


Product
Brand
Articles
Tools











