Analog Devices Inc. AD9284-250EBZANALOG DEVICES AD9284-250EBZ AD9284, ADC, SPI, EVALUATION BOARD
Description
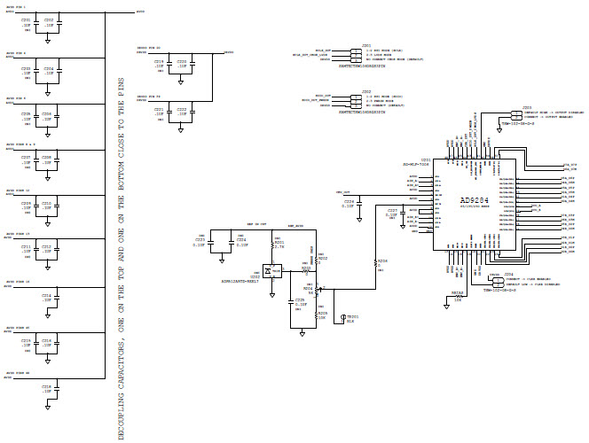
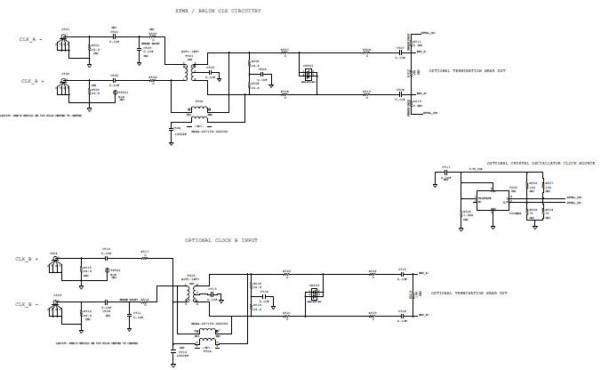
The Analog Devices AD9284-250EBZ is an 8-bit, 250MSPS ADC designed for instrumentation, medical, and healthcare applications. It features a low power consumption of only 1.2W, a wide input bandwidth of up to 250MHz, and a high SNR of up to 73.5dB. It also has a wide dynamic range of up to 72dB and a low distortion of up to -90dBc. The AD9284-250EBZ is capable of sampling rates up to 250MSPS and is suitable for a variety of applications such as ultrasound imaging, medical imaging, and instrumentation. It is also compatible with a variety of digital interfaces such as LVDS, CMOS, and LVCMOS.
Specifications
Analog Devices Inc. technical specifications, attributes, parameters and parts with similar specifications to Analog Devices Inc. .
- TypeParameter
- Lifecycle StatusPRODUCTION (Last Updated: 3 months ago)
- Factory Lead Time8 Weeks
- Number of Pins0
- PackagingBulk
- Part StatusActive
- Moisture Sensitivity Level (MSL)1 (Unlimited)
- Max Operating Temperature85°C
- Min Operating Temperature-40°C
- Base Part NumberAD9284
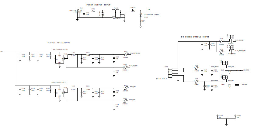
- Operating Supply Voltage1.9V
- Number of Channels2
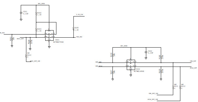
- InterfaceParallel, SPI
- Operating Supply Current175mA
- Nominal Supply Current175mA
- Power Dissipation314mW
- Number of Bits8
- Min Input Voltage1V
- Max Input Voltage1V
- Utilized IC / PartAD9284
- Supplied ContentsBoard(s)
- Data InterfaceSPI
- Resolution1 B
- Sampling Rate250 Msps
- Evaluation KitYes
- Sampling Rate (Per Second)250M
- Number of A/D Converters2
- Signal to Noise Ratio (SNR)49.3 dB
- Input Range1.2Vpp
- REACH SVHCNo SVHC
- RoHS StatusROHS3 Compliant
- Lead FreeContains Lead
0 Similar Products Remaining
Technical Documents
Associated Products
| Part Number | Manufacturer | Description | Stock | RFQ |
|---|---|---|---|---|
| Murata Electronics | MURATA - BNX016-01 - Power Line Filter, 25 V, EMI, RFI, 15 A, Through Hole | 3391 | RFQ | |
| Analog Devices Inc. | ANALOG DEVICES - AD9284BCPZ-250 - ADC, 8BIT, 250MSPS, 1.8V, 48LFCSP | 12000 | BUY | |
| Analog Devices Inc. | ANALOG DEVICES ADP2108AUJZ-3.3-R7STEP-DOWN DC/DC CONVERTER, TSOT-5 | 5098 | RFQ | |
| Analog Devices Inc. | IC REG BCK 1.8V 0.6A SYNC TSOT23 | 5 | RFQ |


Product
Brand
Articles
Tools


























