Analog Devices Inc. ADP5090-1-EVALZADP5090 Ultralow Power Boost Regulator Evaluation Board
Description
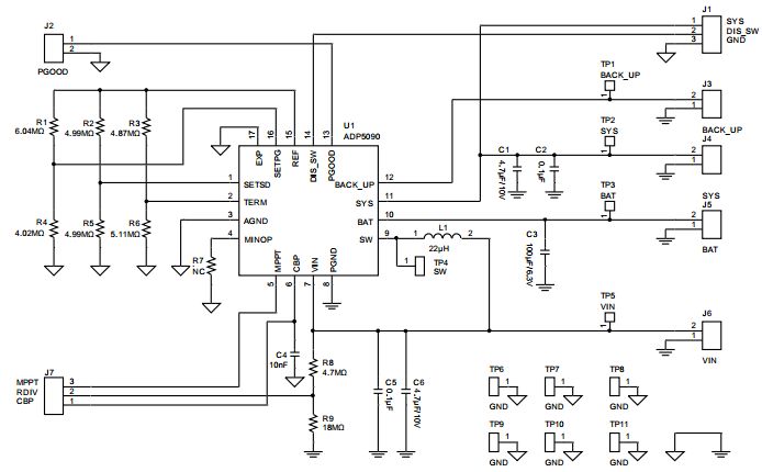
The Analog Devices ADP5090-1-EVALZ Evaluation Board is designed to evaluate the performance of the ADP5090 Ultra Low Power Boost Regulator, a power management IC. This board features a wide input voltage range of 2.7V to 5.5V, and can provide an output voltage of up to 5.5V. It also includes a wide range of features such as adjustable output voltage, adjustable switching frequency, and adjustable soft-start time. The board also includes a USB interface for easy programming and monitoring of the device. The ADP5090-1-EVALZ Evaluation Board is an ideal tool for evaluating the performance of the ADP5090 Ultra Low Power Boost Regulator.
Specifications
Analog Devices Inc. technical specifications, attributes, parameters and parts with similar specifications to Analog Devices Inc. .
- TypeParameter
- Lifecycle StatusPRODUCTION (Last Updated: 1 month ago)
- Factory Lead Time8 Weeks
- Number of Pins0
- Part StatusActive
- Moisture Sensitivity Level (MSL)1 (Unlimited)
- Max Operating Temperature125°C
- Min Operating Temperature-40°C
- Base Part NumberADP5090
- Voltage - Output3.5V
- Utilized IC / PartADP5090
- Supplied ContentsBoard(s)
- Evaluation KitYes
- Board TypeFully Populated
- Main PurposeDC/DC, Step Up
- Outputs and Type1, Non-Isolated
- Regulator TopologyBoost
- REACH SVHCNo SVHC
- RoHS StatusROHS3 Compliant
- Lead FreeContains Lead
0 Similar Products Remaining
Technical Documents
Associated Products
| Part Number | Manufacturer | Description | Stock | RFQ |
|---|---|---|---|---|
| Analog Devices Inc. | ANALOG DEVICES - ADP198ACBZ-R7 - Interruttore Carico Potenza, Blocco Corrente Inversa, Lato Alto, Attivo Alto, 1 Uscita, 6,5V, 1A | 1379 | RFQ | |
| Analog Devices Inc. | IC HIGH-SIDE LOAD SWITCH 4WLCSP | 5 | RFQ |


Product
Brand
Articles
Tools













