Analog Devices Inc. EVAL-AD7152EBZBOARD EVAL AD7152
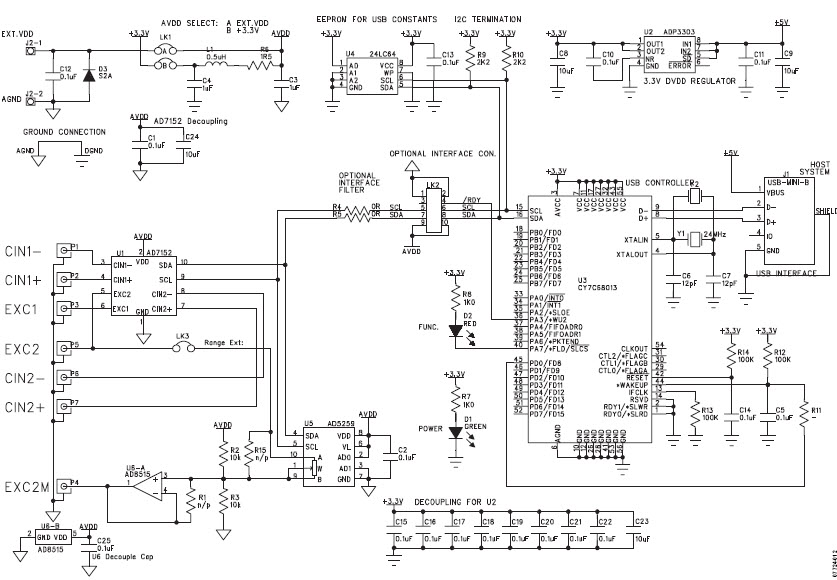
The Analog Devices EVAL-AD7152EBZ is an evaluation kit for the AD7152, a 12-bit, 2-channel analog-to-digital converter (ADC) designed for automotive and transportation applications. This kit provides a complete platform for evaluating the performance of the AD7152 in a variety of automotive and transportation applications. It includes a USB-based evaluation board, a software package, and a set of accessories. The evaluation board features two differential inputs, a reference voltage, and a power supply. The software package includes a graphical user interface (GUI) for configuring the AD7152 and for viewing the results of the ADC conversion. The accessories include a set of cables and connectors for connecting the evaluation board to the target system. The EVAL-AD7152EBZ is an ideal tool for evaluating the performance of the AD7152 in automotive and transportation applications.
- TypeParameter
- Package / CaseModule
- Number of Pins0
- PackagingBox
- Part StatusObsolete
- Moisture Sensitivity Level (MSL)1 (Unlimited)
- Max Operating Temperature85°C
- Min Operating Temperature-40°C
- Voltage - Supply2.7V~3.6V
- Base Part NumberAD7152
- Operating Supply Voltage3.6V
- InterfaceI2C
- Utilized IC / PartAD7152
- Supplied ContentsBoard(s)
- Resolution1.5 B
- Evaluation KitYes
- Sensor TypeTouch, Capacitive
- EmbeddedNo
- REACH SVHCNo SVHC
- Radiation HardeningNo
- RoHS StatusROHS3 Compliant
- Lead FreeContains Lead
| Part Number | Manufacturer | Description | Stock | RFQ |
|---|---|---|---|---|
| Analog Devices Inc. | ANALOG DEVICES - ADUM5010ARSZ - Digital Isolator, 1 Channel, 3.3 V, 5 V, SSOP, 20 Pins | 2530 | RFQ | |
| Analog Devices Inc. | DC DC CONVERTER 3.15-5.25V 150MW | 5000 | RFQ |


Product
Brand
Articles
Tools











