Analog Devices Inc. EVAL-AD7747EBZBOARD EVAL FOR AD7747
Description
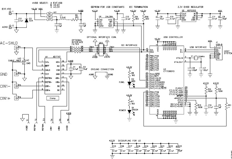
The Analog Devices EVAL-AD7747EBZ is an evaluation board designed for use with the AD7747 24-bit analog-to-digital converter (ADC). This board is ideal for automotive and transportation applications, providing high accuracy and precision measurements in a wide range of temperatures. The board features a low-noise, low-power design, and is capable of sampling rates up to 1.2 MSPS. It also includes a variety of features such as a programmable gain amplifier, a low-pass filter, and a temperature sensor. The board is also compatible with a variety of software packages, making it easy to integrate into existing systems.
Specifications
Analog Devices Inc. technical specifications, attributes, parameters and parts with similar specifications to Analog Devices Inc. .
- TypeParameter
- Lifecycle StatusPRODUCTION (Last Updated: 2 weeks ago)
- Factory Lead Time8 Weeks
- Package / CaseModule
- Number of Pins0
- PackagingBox
- Part StatusActive
- Moisture Sensitivity Level (MSL)1 (Unlimited)
- Max Operating Temperature125°C
- Min Operating Temperature-55°C
- Voltage - Supply2.7V~5.25V
- Base Part NumberAD7747
- Operating Supply Voltage5.25V
- InterfaceI2C
- Utilized IC / PartAD7747
- Supplied ContentsBoard(s), Cable(s)
- Resolution3 B
- Evaluation KitYes
- Sensor TypeTouch, Capacitive
- EmbeddedNo
- REACH SVHCNo SVHC
- Radiation HardeningNo
- RoHS StatusROHS3 Compliant
- Lead FreeContains Lead
0 Similar Products Remaining
Technical Documents
Associated Products
| Part Number | Manufacturer | Description | Stock | RFQ |
|---|---|---|---|---|
| Microchip Technology | IC EEPROM 64KBIT 400KHZ SOT23-5 | 1750 | RFQ | |
| Microchip Technology | 24LC64 Series 64-Kbit (8 K x 8) 400 kHz I2C Serial EEPROM - SOIJ-8 | 7630 | BUY | |
| Microchip Technology | 24LC64 Series 64 Kb I2C 2 Wire (8K X 8) 2.5 V Serial EEPROM SMT - SOIJ-8 | 7000 | RFQ | |
| Microchip Technology | EEPROM 8kx8 - 2.5V | 7500 | BUY | |
| Microchip Technology | EEPROM 8kx8 - 2.5V | 5000 | RFQ | |
| Microchip Technology | MICROCHIP - 24LC64T-I/OT - EEPROM, 64 Kbit, 8K x 8bit, Serial I2C (2-Wire), 400 kHz, SOT-23, 5 Pins | 3000 | RFQ | |
| Microchip Technology | IC EEPROM 64KBIT 400KHZ 8TDFN | 3560 | BUY | |
| Microchip Technology | EEPROM Serial-I2C 64K-bit 8K x 8 3.3V/5V Automotive 8-Pin MSOP Tube | 12 | BUY | |
| Microchip Technology | MICROCHIP - 24LC64T-I/SN - EEPROM, AEC-Q100, 64 Kbit, 8K x 8 bit, Seriell I2C (2-Draht), 400 kHz, SOIC, 8 Pin(s) | 13200 | RFQ | |
| Microchip Technology | MICROCHIP - 24LC64-E/SN - SERIAL EEPROM, 64KBIT, 400KHZ, SOIC-8 | 0 | BUY | |
| Microchip | 8K X 8 I2C/2-WIRE SERIAL EEPROM, PDSO8, 3.90 MM, ROHS COMPLIANT, PLASTIC, SOIC-8 | 2095 | BUY | |
| Microchip | I2C? Serial EEPROM, 2.5 to 5.5V, 400 kHz, -40 to 125°C, DFN-8, RoHS | 0 | RFQ |
Load more


Product
Brand
Articles
Tools















