Analog Devices Inc. EVAL-ADHV4702-1CPZEVALUATION BOARD
Description
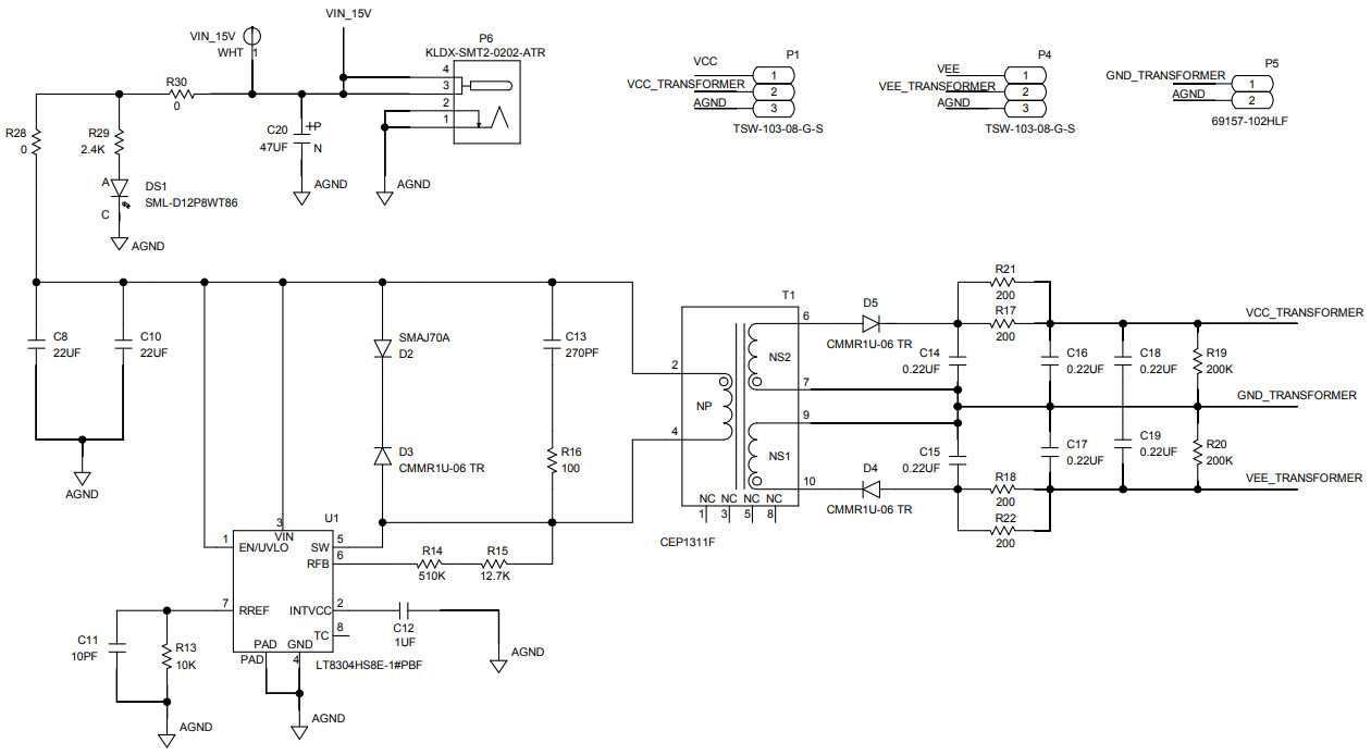
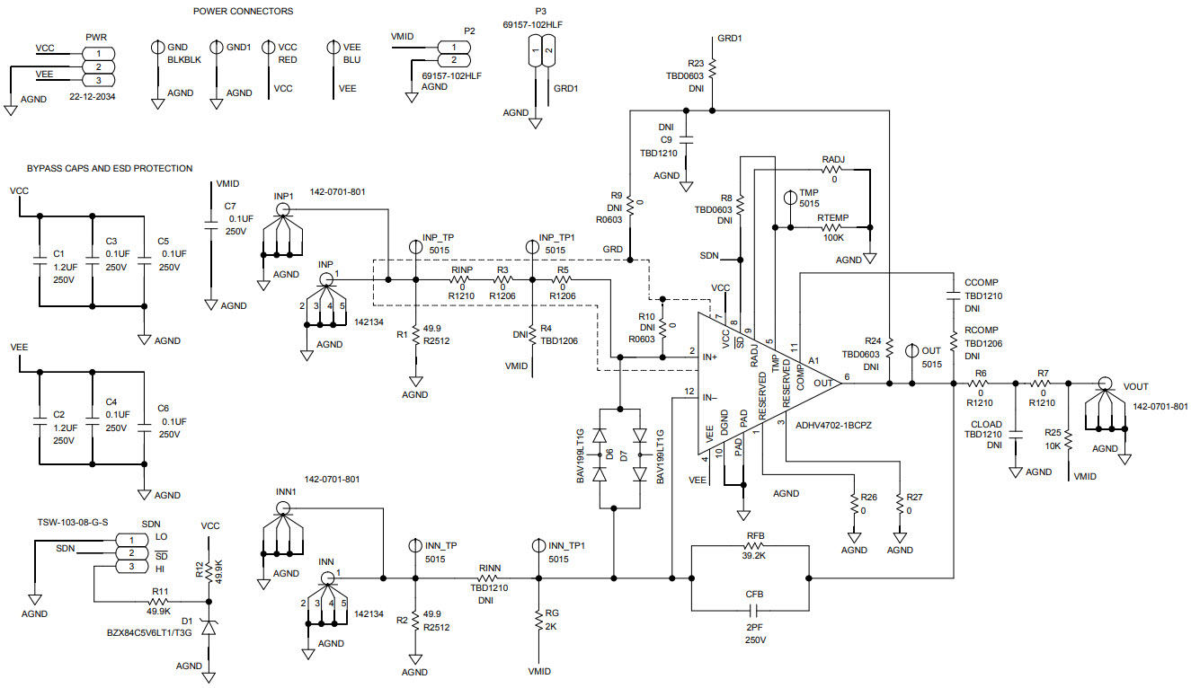
The Analog Devices EVAL-ADHV4702-1CPZ Evaluation Board is designed to evaluate the performance of the ADHV4702-1 24V to 220V Precision Operational Amplifier, Instrumentation and Measurement Amplifier. This evaluation board features a wide range of features, including a high-precision, low-noise, low-distortion, low-power, and low-offset operational amplifier. It also includes a wide range of test points and connectors for easy evaluation and testing of the amplifier. The board also includes a power supply, a reference voltage, and a temperature sensor for accurate measurements. The board is designed to provide a reliable and accurate evaluation of the amplifier's performance.
Specifications
Analog Devices Inc. technical specifications, attributes, parameters and parts with similar specifications to Analog Devices Inc. .
- TypeParameter
- Factory Lead Time8 Weeks
- Part StatusActive
- Moisture Sensitivity Level (MSL)1 (Unlimited)
- Output TypeSingle-Ended
- Slew Rate74V/μs
- Amplifier TypeGeneral Purpose
- Voltage - Supply, Single/Dual (±)24V~220V ±12V~110V
- Utilized IC / PartADHV4702-1
- Supplied ContentsBoard(s)
- -3db Bandwidth10MHz
- Board TypeFully Populated
- Channels per IC1 - Single
- Current - Supply (Main IC)3mA
- RoHS StatusROHS3 Compliant
0 Similar Products Remaining
Technical Documents
Associated Products
| Part Number | Manufacturer | Description | Stock | RFQ |
|---|---|---|---|---|
| Analog Devices Inc. | IC REG SWTCHD CAP INV ADJ 8SOIC | 1 | RFQ | |
| Analog Devices Inc. | MCU 32-Bit ADuCM31x ARM Cortex M3 RISC 256KB Flash 2.5V/3.3V 112-Pin CSP-BGA Tray | 1000 | RFQ | |
| Analog Devices Inc. | IC REG LINEAR 5V 300MA 8SOIC | 700 | BUY | |
| Analog Devices Inc. | IC REG LINEAR 3.3V 300MA 8SOIC | 92 | RFQ |


Product
Brand
Articles
Tools


















