Analog Devices Inc. EVAL-ADM1185EBZBOARD EVALUATION FOR ADM1185
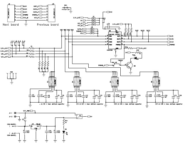
The Analog Devices EVAL-ADM1185EBZ Evaluation Kit is designed to demonstrate the capabilities of the ADM1185 voltage monitoring and sequencing IC. This IC is ideal for use in multiple supply systems, such as consumer electronics, industrial, automotive, and medical applications. The kit includes the ADM1185 IC, a power supply, and a set of jumpers and connectors. The ADM1185 provides quad voltage monitoring and sequencing, allowing for the monitoring of up to four different voltages. It also features an adjustable voltage threshold, programmable delay times, and an active-low reset output. The kit also includes a graphical user interface (GUI) for easy configuration and monitoring of the IC. The EVAL-ADM1185EBZ Evaluation Kit is a great tool for engineers and designers to quickly and easily evaluate the performance of the ADM1185 IC.
- TypeParameter
- Lifecycle StatusPRODUCTION (Last Updated: 1 month ago)
- Factory Lead Time8 Weeks
- Package / CaseModule
- Number of Pins0
- Part StatusActive
- Moisture Sensitivity Level (MSL)1 (Unlimited)
- TypePower Management
- Base Part NumberADM1185
- FunctionPower Supply Supervisor/Tracker/Sequencer
- Utilized IC / PartADM1185
- Supplied ContentsBoard(s), Accessories
- Evaluation KitYes
- Primary Attributes4 Inputs, 3 Open-Drain Enable Outputs
- EmbeddedNo
- Secondary AttributesOpen-Drain Power-Good Output
- REACH SVHCNo SVHC
- RoHS StatusROHS3 Compliant
- Lead FreeContains Lead
| Part Number | Manufacturer | Description | Stock | RFQ |
|---|---|---|---|---|
| Analog Devices Inc. | IC MCU 8BIT 62KB FLASH 52MQFP | 88888 | RFQ |


Product
Brand
Articles
Tools












