Analog Devices Inc. EVAL-ADM1186-1MBZAnalog Devices EVAL-ADM1186-1MBZ
Description
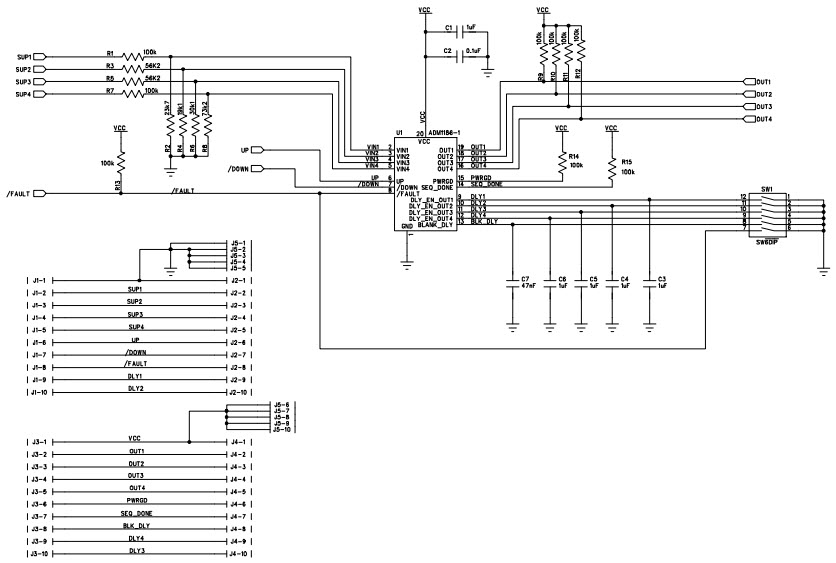
The Analog Devices EVAL-ADM1186-1MBZ is a micro-evaluation board designed to evaluate the performance of the ADM1186-1 Quad Voltage Sequencer and Monitor, Security and Power Management IC. This board provides a complete platform for evaluating the features and performance of the ADM1186-1. It includes a power supply, a voltage sequencer, a voltage monitor, and a power management IC. The board also includes a USB interface for programming and debugging. The board is designed to be used in a variety of applications, including automotive, industrial, and consumer electronics. It is also suitable for use in a variety of power management applications.
Specifications
Analog Devices Inc. technical specifications, attributes, parameters and parts with similar specifications to Analog Devices Inc. .
- TypeParameter
- Lifecycle StatusPRODUCTION (Last Updated: 2 weeks ago)
- Factory Lead Time8 Weeks
- Number of Pins0
- PackagingBulk
- Part StatusActive
- Moisture Sensitivity Level (MSL)1 (Unlimited)
- TypePower Management
- Max Operating Temperature85°C
- Min Operating Temperature-40°C
- Base Part NumberADM1186
- FunctionPower Supply Supervisor/Tracker/Sequencer
- Output Voltage400mV
- Utilized IC / PartADM1186-1
- Supplied ContentsBoard(s)
- Evaluation KitYes
- REACH SVHCNo SVHC
- RoHS StatusROHS3 Compliant
- Lead FreeContains Lead
0 Similar Products Remaining
Technical Documents
Associated Products
| Part Number | Manufacturer | Description | Stock | RFQ |
|---|---|---|---|---|
| Analog Devices Inc. | SENSOR DGTL -40C-150C 16LFCSP | 0 | RFQ | |
| Analog Devices Inc. | IC SENSR TEMP 16BIT DGTL 16LFCSP | 0 | RFQ |


Product
Brand
Articles
Tools











