Linear Technology/Analog Devices DC1133A-AEVAL BOARD FOR LTC2242-12
Description
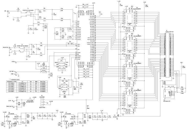
The Analog Devices DC1133A-A, LTC2242CUP-12 Demo Board is a CMOS output instrumentation and measurement board designed for use with a VCC of 2.5V. It features a 12-bit resolution and a maximum sampling rate of 250Msps. The board is capable of measuring signals from 10MHz to 250MHz. It is ideal for applications such as signal analysis, data acquisition, and instrumentation.
Specifications
Linear Technology/Analog Devices technical specifications, attributes, parameters and parts with similar specifications to Linear Technology/Analog Devices .
- TypeParameter
- Factory Lead Time8 Weeks
- PackagingBox
- Published2007
- Part StatusActive
- Moisture Sensitivity Level (MSL)1 (Unlimited)
- Base Part NumberLTC2242
- Number of Bits12
- Utilized IC / PartLTC2242-12
- Supplied ContentsBoard(s)
- Data InterfaceCMOS, LVDS, Parallel
- Sampling Rate (Per Second)250M
- Number of A/D Converters1
- Input Range2Vpp
- Power (Typ) @ Conditions858mW @ 250MSPS
- RoHS StatusROHS3 Compliant
0 Similar Products Remaining
Technical Documents
Associated Products
| Part Number | Manufacturer | Description | Stock | RFQ |
|---|---|---|---|---|
| Analog Devices, Inc. | LDO Regulator Pos 1.5V 0.5A Automotive 12-Pin DFN EP | 3053 | RFQ | |
| Analog Devices, Inc. | 0 | RFQ | ||
| Microchip Technology | MICROCHIP - 24LC025-I/ST - SERIAL EEPROM, 2KBIT, 400KHZ, TSSOP-8 | 25 | RFQ | |
| Analog Devices, Inc. | 0 | RFQ | ||
| Analog Devices, Inc. | LDO Regulator Pos 3.3V 0.5A 12-Pin DFN EP | 0 | RFQ |


Product
Brand
Articles
Tools















