Linear Technology/Analog Devices DC1166ABOARD EVAL FOR LT3590EDC
Description
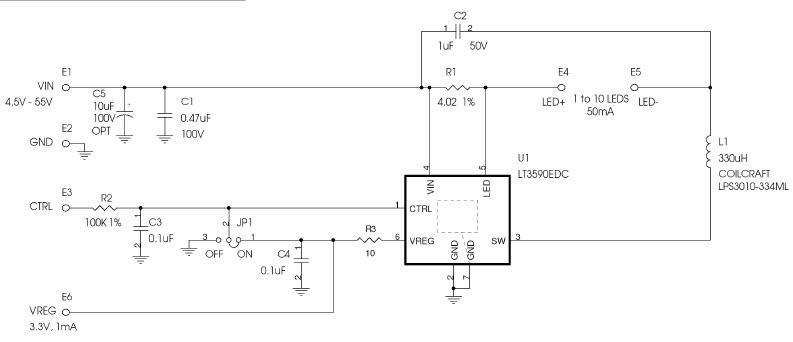
The Analog Devices DC1166A-A LT3590EDC Demo Board is a 48V Buck Mode LED Driver in SC70 and 2mm x 2mm DFN Lighting Solutions package. It is designed to provide a high-efficiency, low-cost solution for driving LEDs in a variety of applications. The board features a wide input voltage range of 4.5V to 48V, adjustable output current up to 1.5A, and a wide dimming range of 0.1% to 100%. It also includes a high-efficiency synchronous buck converter, a low-noise linear regulator, and a low-noise PWM dimming circuit. The board is ideal for applications such as LED lighting, automotive lighting, and industrial lighting.
Specifications
Linear Technology/Analog Devices technical specifications, attributes, parameters and parts with similar specifications to Linear Technology/Analog Devices .
- TypeParameter
- Factory Lead Time8 Weeks
- PackagingBox
- Published2007
- Part StatusActive
- Moisture Sensitivity Level (MSL)1 (Unlimited)
- Base Part NumberLT3590
- Utilized IC / PartLT3590
- Supplied ContentsBoard(s)
- Outputs and Type1, Non-Isolated
- RoHS StatusROHS3 Compliant
0 Similar Products Remaining
Technical Documents
Associated Products
| Part Number | Manufacturer | Description | Stock | RFQ |
|---|---|---|---|---|
| Analog Devices / Linear Technology | 972 | RFQ | ||
| Analog Devices / Linear Technology | 549 | RFQ |


Product
Brand
Articles
Tools









