Maxim Integrated MAX16818EVKIT+KIT EVALUATION FOR MAX16818
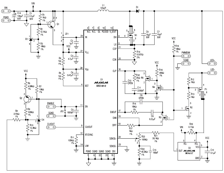
The MAX16818EVKIT+ is an evaluation kit for the MAX16818 general LED driver for automotive lighting. This kit is designed to provide a platform for evaluating the features and performance of the MAX16818 LED driver. It includes a MAX16818 evaluation board, a MAX16818EVKIT+ software package, and a USB cable for connecting the board to a PC. The MAX16818 is a high-efficiency, low-noise, and low-EMI LED driver for automotive lighting applications. It features a wide input voltage range of 4.5V to 40V, and can drive up to 8 LEDs in series with a maximum output current of 1.2A. The MAX16818 also includes a wide range of protection features, including over-voltage, over-temperature, and short-circuit protection. The MAX16818EVKIT+ is an ideal solution for automotive lighting applications, providing a reliable and efficient LED driver solution.
- TypeParameter
- Factory Lead Time6 Weeks
- PackagingBulk
- Published2002
- Part StatusActive
- Moisture Sensitivity Level (MSL)1 (Unlimited)
- Max Supply Voltage28V
- Min Supply Voltage6V
- Output Current1A
- Voltage - Output18V
- Min Input Voltage6V
- Max Input Voltage28V
- Output Current per Channel1A
- Utilized IC / PartMAX16818
- Supplied ContentsBoard(s)
- Evaluation KitYes
- Outputs and Type1, Non-Isolated
- FeaturesDimmable
- Height30mm
- Length297mm
- Width210mm
- Radiation HardeningNo
- RoHS StatusROHS3 Compliant


Product
Brand
Articles
Tools










