Analog Devices DC1199ALT3595EUHH LED Driver Development Kit
Description
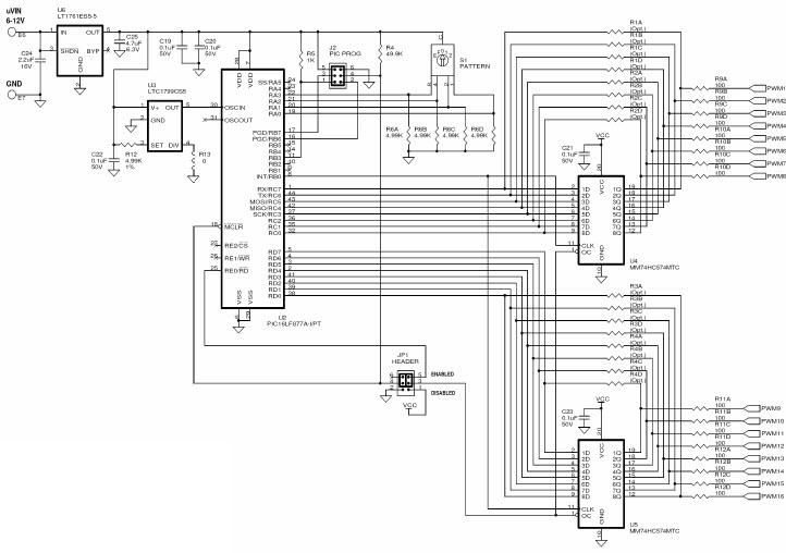
The Analog Devices DC1199A-A LT3595 Demo Board is a 16-channel buck mode LED driver designed for consumer electronics applications. It features a wide input voltage range of 4.5V to 36V, and can drive up to 16 LEDs in series with a maximum output current of 1A per channel. The board also includes a built-in temperature sensor and over-temperature protection, as well as a low-power shutdown mode. The board is designed to be easy to use and configure, and is ideal for applications such as LED lighting, automotive lighting, and industrial lighting.
Specifications
Analog Devices technical specifications, attributes, parameters and parts with similar specifications to Analog Devices .
- TypeParameter
- Factory Pack QuantityFactory Pack Quantity1
- ManufacturerAnalog Devices Inc.
- BrandAnalog Devices
- RoHSDetails
- For Use WithLT3595EUHH
- SeriesLT3595
- PackagingBulk
- SubcategoryDevelopment Tools
- Operating Supply Voltage15 V to 45 V
- Product TypeLED Lighting Development Tools
- ProductDemonstration Boards
- Product CategoryLED Lighting Development Tools
0 Similar Products Remaining


Product
Brand
Articles
Tools











