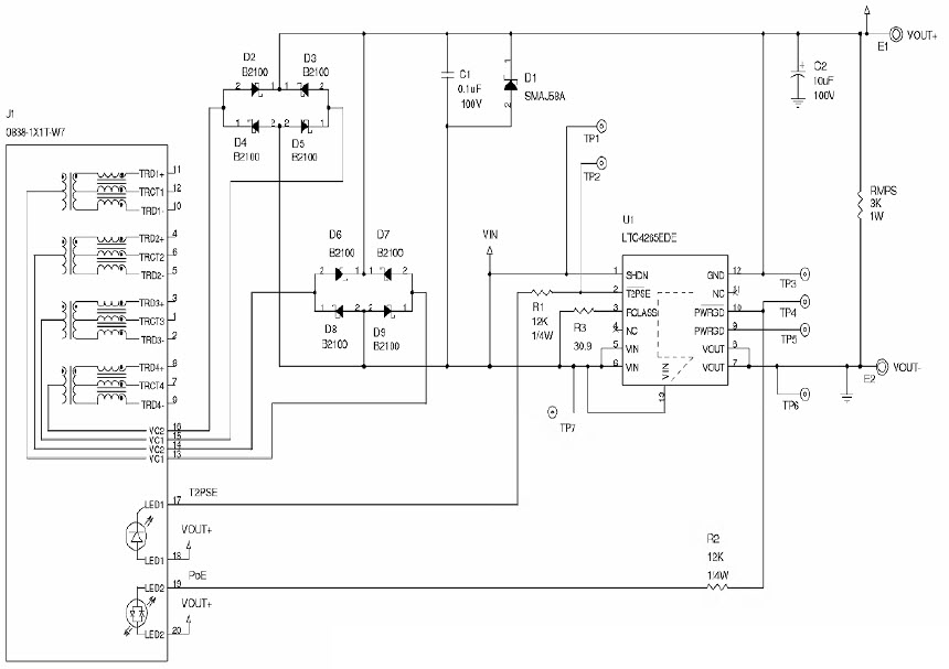
Linear Technology/Analog Devices DC1415AEVAL BOARD FOR LTC4265
The Analog Devices DC1415A-A, LTC4265 Demo Board, IEEE802.3AT Power-Over-Ethernet Powered Device Controller, Security System is a comprehensive solution for providing secure access control and monitoring of powered devices. It is designed to provide a secure, reliable, and cost-effective way to manage and monitor the power supply of connected devices. The system includes a controller board, a power-over-Ethernet (PoE) powered device controller, and a security system. The controller board is designed to provide a secure connection between the PoE powered device and the security system. The PoE powered device controller is designed to provide a secure connection between the PoE powered device and the controller board. The security system is designed to provide a secure connection between the controller board and the PoE powered device. The system is designed to provide a secure, reliable, and cost-effective way to manage and monitor the power supply of connected devices.
- TypeParameter
- Lifecycle StatusPRODUCTION (Last Updated: 2 weeks ago)
- Factory Lead Time8 Weeks
- Number of Pins0
- Published2008
- Part StatusActive
- Moisture Sensitivity Level (MSL)1 (Unlimited)
- TypePower Management
- FunctionPower over Ethernet (PoE)
- Operating Supply Voltage60V
- Utilized IC / PartLTC4265
- Supplied ContentsBoard(s)
- Evaluation KitYes
- EmbeddedNo
- Length30mm
- REACH SVHCNo SVHC
- RoHS StatusROHS3 Compliant
| Part Number | Manufacturer | Description | Stock | RFQ |
|---|---|---|---|---|
| Linear Technology/Analog Devices | IC REG LINEAR POS ADJ 50MA 8MSOP | 0 | RFQ | |
| Microchip Technology | MICROCHIP - 24LC025-I/ST - SERIAL EEPROM, 2KBIT, 400KHZ, TSSOP-8 | 25 | RFQ | |
| Linear Technology/Analog Devices | IC REG LINEAR 5V 50MA 8MSOP | 645 | BUY |


Product
Brand
Articles
Tools















