Linear Technology/Analog Devices DC1702AEVAL BOARD BATT CHARGER LTC4071
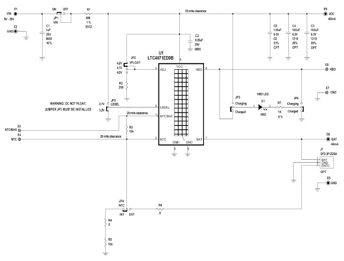
The Analog Devices DC1702A-A, LTC4071EDDB Demo Board is a Li-Ion/Polymer Shunt Battery Charger System with Low Battery Disconnect, Automotive and Transportation. This demo board is designed to demonstrate the features and performance of the LTC4071EDDB battery charger IC. It is a complete, self-contained system that can be used to charge and monitor a single-cell Li-Ion/Polymer battery. The board includes a low battery disconnect circuit that will disconnect the battery from the load when the battery voltage drops below a preset threshold. The board also includes a power supply, current sense resistor, and a microcontroller for monitoring and control. The board is ideal for automotive and transportation applications where a reliable, low-power battery charging system is required.
- TypeParameter
- Lifecycle StatusPRODUCTION (Last Updated: 3 weeks ago)
- Factory Lead Time8 Weeks
- Number of Pins0
- Published2010
- Part StatusActive
- Moisture Sensitivity Level (MSL)1 (Unlimited)
- TypePower Management
- FunctionBattery Charger
- Utilized IC / PartLTC4071
- Supplied ContentsBoard(s)
- Evaluation KitYes
- RoHS StatusROHS3 Compliant
| Part Number | Manufacturer | Description | Stock | RFQ |
|---|---|---|---|---|
| Microchip Technology | Microchip 24LC025-I/SN Serial EEPROM Memory; 2kbit; 1000ns; 2.5 to 5.5V 8-Pin SOIC | 2 | BUY | |
| Analog Devices, Inc. | Voltage Detector IC 5.8 V DFN-8, LTC4361CTS8-2#PBF, Linear Technology | 0 | RFQ |


Product
Brand
Articles
Tools












