Linear Technology/Analog Devices DC1362A-BEVAL BOARD BATT CHARGER LT3651
Description
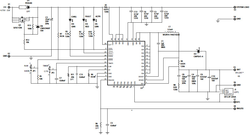
The Analog Devices DC1362A-B, LT3651EUHE-4.1 Demo Board is a 4A high voltage Li-Ion battery charger designed for automotive and transportation applications. It features a wide input voltage range of 4.5V to 40V, allowing it to be used in a variety of automotive and transportation applications. The board also features a high efficiency synchronous buck converter, allowing it to charge Li-Ion batteries quickly and efficiently. The board also includes a variety of protection features, such as over-voltage, over-temperature, and short-circuit protection, ensuring the safety of the battery and the system. The board is also designed to be easy to use, with a simple user interface and a variety of status LEDs to indicate the charging status.
Specifications
Linear Technology/Analog Devices technical specifications, attributes, parameters and parts with similar specifications to Linear Technology/Analog Devices .
- TypeParameter
- Lifecycle StatusPRODUCTION (Last Updated: 3 weeks ago)
- Factory Lead Time8 Weeks
- Number of Pins0
- Published2013
- Part StatusActive
- Moisture Sensitivity Level (MSL)1 (Unlimited)
- TypePower Management
- Base Part NumberLT3651
- FunctionBattery Charger
- Utilized IC / PartLT3651-4.1
- Supplied ContentsBoard(s)
- Evaluation KitYes
- Primary AttributesLi-Ion (1 Cell)
- EmbeddedNo
- RoHS StatusROHS3 Compliant
0 Similar Products Remaining


Product
Brand
Articles
Tools












