Linear Technology/Analog Devices DC1748A-BBOARD EVAL FOR LTM2883
Description
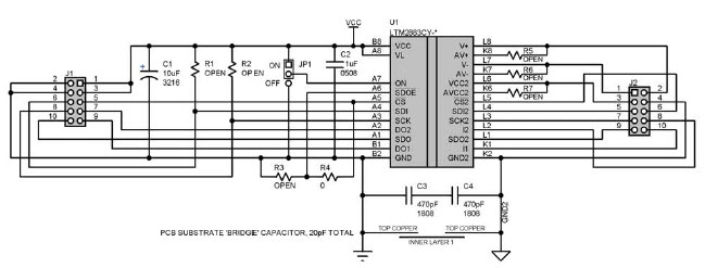
The Analog Devices DC1748A-B and DC1748A-A Demo Board is a powerful and versatile tool for isolating and protecting SPI-based systems. It features the LTM2883-3S SPI module isolator, which is designed to operate at 3.3V supply and industrial temperature range. The board provides galvanic isolation of up to 2500Vrms, allowing for reliable communication between two systems. It also features a wide range of features, such as adjustable slew rate, adjustable output voltage, and adjustable output current. Additionally, the board is designed to be compatible with a variety of SPI-based systems, making it a great choice for a wide range of applications.
Specifications
Linear Technology/Analog Devices technical specifications, attributes, parameters and parts with similar specifications to Linear Technology/Analog Devices .
- TypeParameter
- Lifecycle StatusPRODUCTION (Last Updated: 4 weeks ago)
- Factory Lead Time8 Weeks
- Number of Pins0
- SeriesµModule®
- Published2010
- Part StatusActive
- Moisture Sensitivity Level (MSL)1 (Unlimited)
- TypeInterface
- FunctionDigital Isolator
- Operating Supply Voltage5.5V
- Utilized IC / PartLTM2883
- Supplied ContentsBoard(s)
- Evaluation KitYes
- RoHS StatusROHS3 Compliant
0 Similar Products Remaining
Technical Documents


Product
Brand
Articles
Tools











