Linear Technology/Analog Devices DC1957AEVAL BOARD FOR LTM2892-S
Description
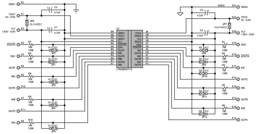
The Analog Devices DC1957A-A Demo Board is a powerful tool for evaluating the performance of the LTM2892-S SPI/Digital Module Isolator. This board is designed for industrial applications and provides a reliable and efficient way to isolate digital signals from a variety of sources. It features a wide range of features, including a high-speed SPI interface, a wide operating temperature range, and a low power consumption. The board also includes a variety of test points and connectors for easy connection to external devices. The board is also designed to be compatible with a variety of development tools, making it an ideal choice for industrial applications.
Specifications
Linear Technology/Analog Devices technical specifications, attributes, parameters and parts with similar specifications to Linear Technology/Analog Devices .
- TypeParameter
- Lifecycle StatusPRODUCTION (Last Updated: 3 weeks ago)
- Factory Lead Time8 Weeks
- Number of Pins0
- SeriesµModule®
- Published2012
- Part StatusActive
- Moisture Sensitivity Level (MSL)1 (Unlimited)
- TypeInterface
- Base Part NumberLTM2892
- FunctionDigital Isolator
- Utilized IC / PartLTM2892
- Supplied ContentsBoard(s)
- Evaluation KitYes
- EmbeddedNo
- Secondary AttributesSPI Interface
- REACH SVHCNo SVHC
- RoHS StatusROHS3 Compliant
0 Similar Products Remaining
Technical Documents


Product
Brand
Articles
Tools











