Linear Technology/Analog Devices DC2027A-ABOARD DEMO LTC4364-1
Description
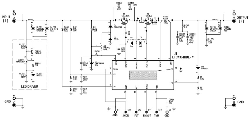
The Analog Devices DC2027A-A Demo Board is a versatile platform for evaluating the LTC4364HDE-1 surge stopper with ideal diode controller. This device provides protection for loads from high voltage transients, making it ideal for automotive and transportation applications. The board features a wide input voltage range of 4.5V to 60V, and can support up to 5A of continuous current. It also features a wide operating temperature range of -40°C to +125°C, making it suitable for a variety of applications. The board also includes a variety of protection features, such as over-voltage, over-current, and short-circuit protection. Additionally, the board includes a graphical user interface for easy configuration and monitoring.
Specifications
Linear Technology/Analog Devices technical specifications, attributes, parameters and parts with similar specifications to Linear Technology/Analog Devices .
- TypeParameter
- Lifecycle StatusPRODUCTION (Last Updated: 3 months ago)
- Factory Lead Time8 Weeks
- Number of Pins0
- Published2012
- Part StatusActive
- Moisture Sensitivity Level (MSL)1 (Unlimited)
- TypeCircuit Protection
- Base Part NumberLTC4364
- FunctionSurge Suppression
- Operating Supply Voltage27V
- Utilized IC / PartLTC4364-1
- Supplied ContentsBoard(s)
- Evaluation KitYes
- Primary AttributesLatch-Off
- EmbeddedNo
- Secondary AttributesReverse Protection
- REACH SVHCNo SVHC
- RoHS StatusROHS3 Compliant
0 Similar Products Remaining


Product
Brand
Articles
Tools















