Linear Technology/Analog Devices DC750A-AEVAL BOARD FOR LTC2220
Description
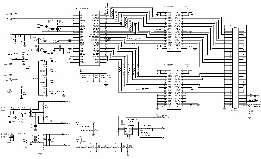
The Analog Devices DC750A-A, LTC2220CUP Demo Board is a high speed ADC with a VCC of +3.3V and a sampling rate of 170 Msps. It has a 12-bit resolution and a frequency range of 1MHz to 100MHz, making it ideal for instrumentation and measurement applications. The board features a wide range of input and output connectors, allowing for easy integration into existing systems. It also includes a variety of features such as programmable gain, offset, and power-down modes, making it a versatile and reliable solution for a variety of applications.
Specifications
Linear Technology/Analog Devices technical specifications, attributes, parameters and parts with similar specifications to Linear Technology/Analog Devices .
- TypeParameter
- Lifecycle StatusPRODUCTION (Last Updated: 3 weeks ago)
- Factory Lead Time8 Weeks
- Number of Pins0
- PackagingBox
- Published2004
- Part StatusActive
- Moisture Sensitivity Level (MSL)1 (Unlimited)
- InterfaceLVDS, Parallel
- Number of Bits12
- Utilized IC / PartLTC2220
- Supplied ContentsBoard(s)
- Data InterfaceCMOS, LVDS, Parallel
- Sampling Rate170 Msps
- Evaluation KitYes
- Sampling Rate (Per Second)170M
- Number of A/D Converters1
- Input Range1 ~ 2Vpp
- Power (Typ) @ Conditions1.05W @ 170MSPS
- RoHS StatusROHS3 Compliant
0 Similar Products Remaining
Technical Documents
Associated Products
| Part Number | Manufacturer | Description | Stock | RFQ |
|---|---|---|---|---|
| Microchip Technology | EEPROM Serial-I2C 2K-bit 256 x 8 3.3V/5V 8-Pin PDIP Tube | 4520 | BUY | |
| Microchip Technology | IC EEPROM 2K I2C 400KHZ 8SOIC | 859 | RFQ | |
| Microchip Technology | IC EEPROM 2K I2C 400KHZ SOT23-6 | 10047 | BUY | |
| Microchip Technology | EEPROM Serial-I2C 2K-bit 256 x 8 3.3V/5V 8-Pin TSSOP Tube | 35 | RFQ | |
| Microchip Technology | IC EEPROM 2K I2C 400KHZ 8TSSOP | 0 | RFQ | |
| Microchip Technology | Microchip 24LC025-I/SN Serial EEPROM Memory; 2kbit; 1000ns; 2.5 to 5.5V 8-Pin SOIC | 2 | BUY | |
| Microchip Technology | EEPROM Serial-I2C 2K-bit 256 x 8 3.3V/5V 8-Pin PDIP Tube | 0 | RFQ | |
| Microchip Technology | EEPROM Serial-I2C 2K-bit 256 x 8 3.3V/5V 8-Pin MSOP Tube | 388 | RFQ | |
| Microchip Technology | EEPROM Serial-I2C 2K-bit 256 x 8 3.3V/5V 8-Pin MSOP T/R | 35 | RFQ | |
| Microchip Technology | EEPROM Serial-I2C 2K-bit 256 x 8 3.3V/5V 8-Pin TDFN EP T/R | 35 | BUY | |
| Microchip Technology | EEPROM Serial-I2C 2K-bit 256 x 8 3.3V/5V 8-Pin TSSOP T/R | 35 | RFQ |
Load more


Product
Brand
Articles
Tools

















