Linear Technology/Analog Devices DC846ABOARD DELTA SIGMA ADC LTC2447
Description
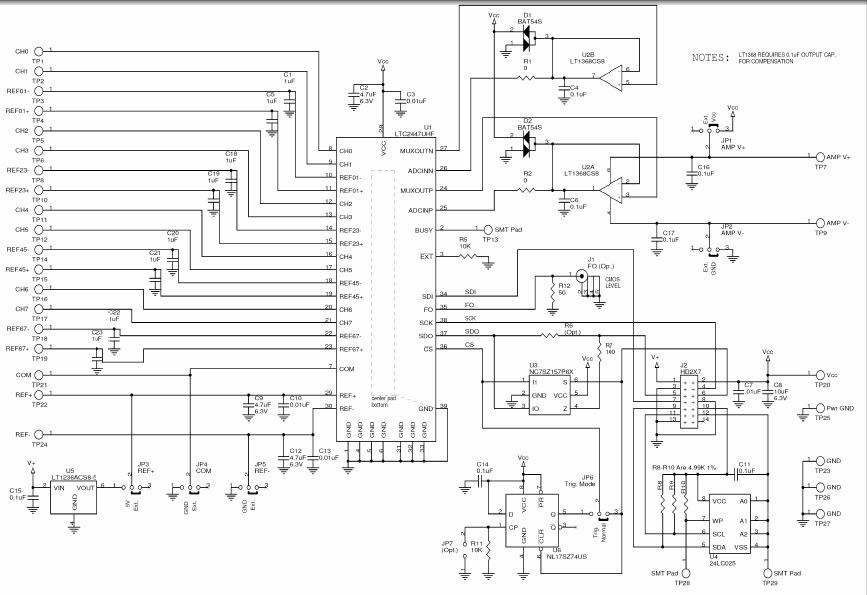
The Analog Devices DC846A-A, LTC2447UHF Demo Board is a 24-bit high speed 4-/8-channel delta sigma ADC instrumentation and measurement board. It is designed to provide a comprehensive platform for evaluating the performance of the LTC2447UHF delta sigma ADC. The board features a wide range of input ranges, including ±2.5V, ±5V, ±10V, and ±20V, and can be used to measure both AC and DC signals. It also features a high-speed SPI interface for easy connection to a microcontroller or FPGA. The board is ideal for applications such as data acquisition, instrumentation, and measurement.
Specifications
Linear Technology/Analog Devices technical specifications, attributes, parameters and parts with similar specifications to Linear Technology/Analog Devices .
- TypeParameter
- Lifecycle StatusPRODUCTION (Last Updated: 4 months ago)
- Factory Lead Time8 Weeks
- Number of Pins0
- PackagingBox
- Published2005
- Part StatusActive
- Moisture Sensitivity Level (MSL)1 (Unlimited)
- Operating Supply Voltage5V
- InterfaceSPI, Serial
- Number of Bits24
- Utilized IC / PartLTC2447
- Supplied ContentsBoard(s)
- Data InterfaceMICROWIRE™, Serial, SPI™
- Sampling Rate8 ksps
- Evaluation KitYes
- Sampling Rate (Per Second)8k
- Number of A/D Converters1
- REACH SVHCNo SVHC
- RoHS StatusROHS3 Compliant
0 Similar Products Remaining
Technical Documents
Associated Products
| Part Number | Manufacturer | Description | Stock | RFQ |
|---|---|---|---|---|
| Microchip Technology | IC EEPROM 2K I2C 400KHZ 8SOIC | 910 | RFQ | |
| Microchip Technology | IC EEPROM 2K I2C 400KHZ SOT23-6 | 9052 | BUY | |
| Microchip Technology | EEPROM Serial-I2C 2K-bit 256 x 8 3.3V/5V 8-Pin TSSOP Tube | 27 | RFQ | |
| Microchip Technology | EEPROM Serial-I2C 2K-bit 256 x 8 3.3V/5V 8-Pin TSSOP Tube | 27 | RFQ | |
| ON Semiconductor | ON SEMICONDUCTOR - NC7SZ157P6X - Multiplexer, 1 Channels, 2:1, 1.65 V to 5.5 V, SC-70-6 | 15000 | RFQ | |
| Microchip Technology | EEPROM Serial-I2C 2K-bit 256 x 8 3.3V/5V 8-Pin MSOP Tube | 619 | RFQ | |
| Microchip Technology | 24LC025 Series 2 Kb I2C 2 Wire (256 x 8) 2.5 V Serial EEPROM - PDIP-8 | 1652 | BUY | |
| Microchip Technology | EEPROM Serial-I2C 2K-bit 256 x 8 3.3V/5V 8-Pin SOIC N T/R | 27 | RFQ | |
| Microchip Technology | EEPROM Serial-I2C 2K-bit 256 x 8 3.3V/5V 8-Pin TDFN EP T/R | 27 | BUY | |
| Microchip Technology | EEPROM Serial-I2C 2K-bit 256 x 8 3.3V/5V 8-Pin TSSOP T/R | 27 | RFQ |


Product
Brand
Articles
Tools



















