Linear Technology/Analog Devices DC571ABOARD DELTA SIGMA ADC LTC2418
Description
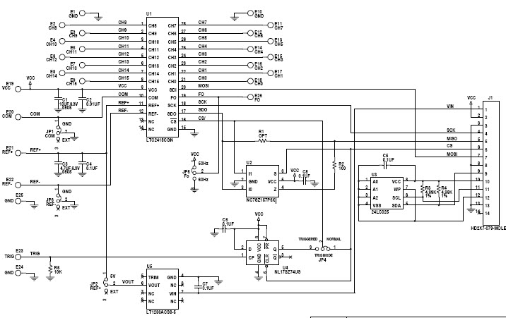
The Analog Devices DC571A-A, DC571A, LTC2418CGN Demo Board is an 8-channel differential input 24-bit ADC designed for instrumentation and measurement applications. It features a wide input range of ±10V, a low noise floor of -110dBV, and a high resolution of 24-bit. The board also includes a built-in reference voltage of 2.5V, allowing for accurate and precise measurements. Additionally, the board is equipped with a variety of connectors, including BNC, SMA, and RJ45, making it easy to connect to a variety of instruments and measurement devices. The board is also compatible with a variety of software packages, making it easy to integrate into existing systems.
Specifications
Linear Technology/Analog Devices technical specifications, attributes, parameters and parts with similar specifications to Linear Technology/Analog Devices .
- TypeParameter
- Lifecycle StatusPRODUCTION (Last Updated: 3 weeks ago)
- Factory Lead Time8 Weeks
- Number of Pins0
- PackagingBox
- Published2003
- Part StatusActive
- Moisture Sensitivity Level (MSL)1 (Unlimited)
- Base Part NumberLTC2418
- Operating Supply Voltage5V
- InterfaceSPI, Serial
- Number of Bits24
- Utilized IC / PartLTC2418
- Supplied ContentsBoard(s)
- Data InterfaceMICROWIRE™, Serial, SPI™
- Sampling Rate7.5 sps
- Evaluation KitYes
- Sampling Rate (Per Second)7.5
- Number of A/D Converters1
- REACH SVHCNo SVHC
- RoHS StatusROHS3 Compliant
0 Similar Products Remaining
Technical Documents
Associated Products
| Part Number | Manufacturer | Description | Stock | RFQ |
|---|---|---|---|---|
| Microchip Technology | IC EEPROM 2KBIT 400KHZ 8TSSOP | 200 | RFQ | |
| Microchip Technology | IC EEPROM 2K I2C 400KHZ 8SOIC | 687 | RFQ | |
| Microchip Technology | IC EEPROM 2K I2C 400KHZ 8DFN | 14 | RFQ | |
| Microchip Technology | EEPROM Serial-I2C 2K-bit 256 x 8 3.3V/5V 8-Pin MSOP Tube | 1175 | RFQ | |
| Microchip Technology | EEPROM Serial-I2C 2K-bit 256 x 8 3.3V/5V 8-Pin MSOP Tube | 3566 | RFQ | |
| Microchip Technology | EEPROM Serial-I2C 2K-bit 256 x 8 3.3V/5V 8-Pin TSSOP Tube | 27 | RFQ | |
| Microchip Technology | Microchip 24LC025-I/SN Serial EEPROM Memory; 2kbit; 1000ns; 2.5 to 5.5V 8-Pin SOIC | 2 | BUY | |
| Microchip Technology | EEPROM Serial-I2C 2K-bit 256 x 8 3.3V/5V 8-Pin PDIP Tube | 0 | RFQ | |
| Microchip Technology | EEPROM Serial-I2C 2K-bit 256 x 8 3.3V/5V 8-Pin SOIC N T/R | 27 | RFQ | |
| Microchip Technology | EEPROM Serial-I2C 2K-bit 256 x 8 3.3V/5V 8-Pin TSSOP T/R | 27 | RFQ | |
| Microchip Technology | MICROCHIP - 24LC025-I/ST - SERIAL EEPROM, 2KBIT, 400KHZ, TSSOP-8 | 25 | RFQ |
Load more


Product
Brand
Articles
Tools

















