Analog Devices Inc. EVAL-AD7768-4FMCZBOARD EVAL FOR AD7768
Description
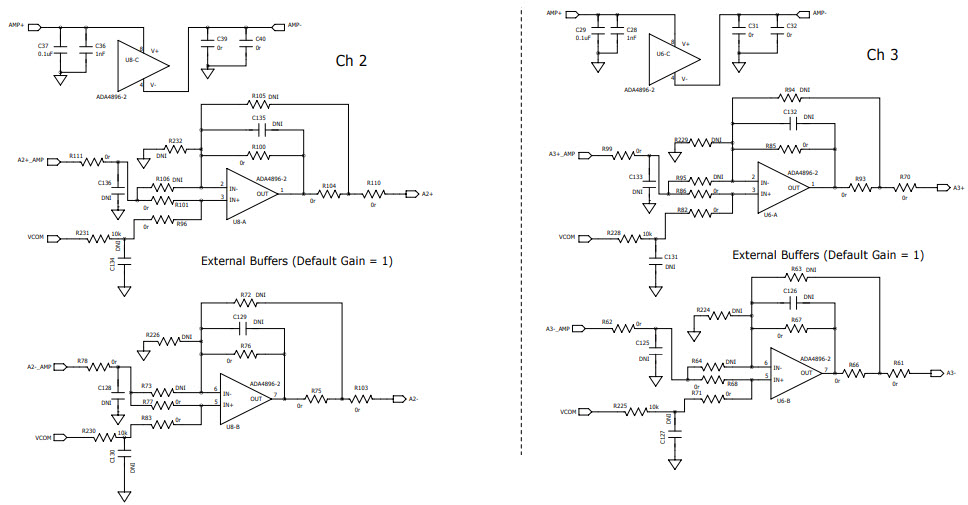
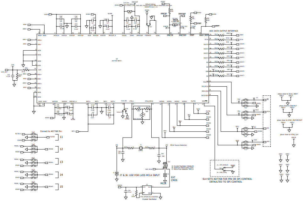
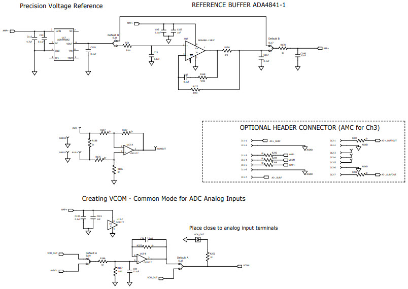
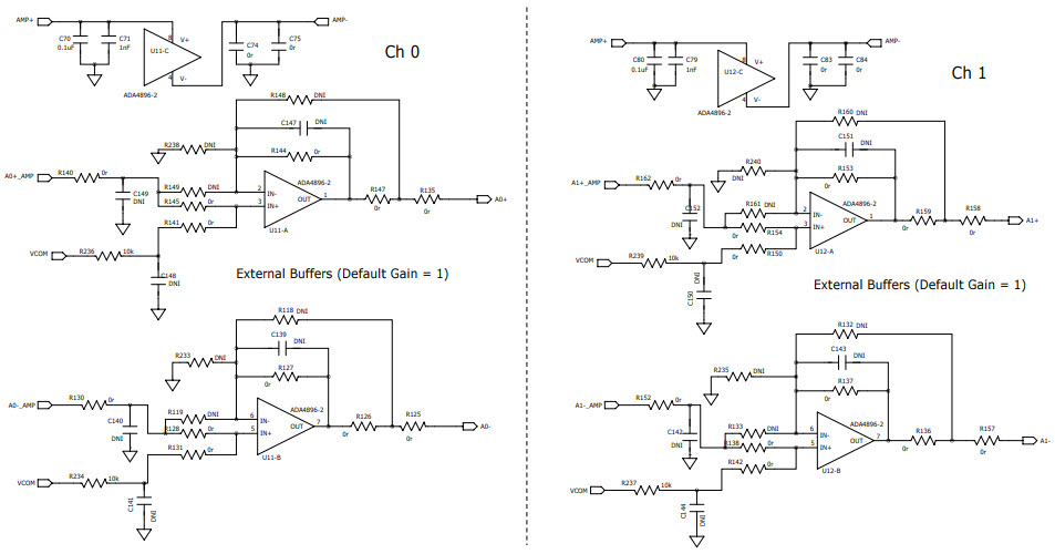
The Analog Devices EVAL-AD7768-4FMCZ Evaluation Board is designed to evaluate the performance of the AD7768-4, a 24-bit, 4-channel, simultaneous sampling, 256 kSPS, sigma-delta ADC with power scaling and audio analyzer. The board features a wide range of features, including a low-noise power supply, a high-performance analog front-end, and a flexible digital interface. The board also includes a variety of test and evaluation tools, such as a signal generator, a frequency response analyzer, and a distortion analyzer. The board is ideal for audio applications, such as audio recording, playback, and analysis.
Specifications
Analog Devices Inc. technical specifications, attributes, parameters and parts with similar specifications to Analog Devices Inc. .
- TypeParameter
- Lifecycle StatusPRODUCTION (Last Updated: 3 weeks ago)
- Factory Lead Time8 Weeks
- Number of Pins0
- PackagingBox
- Part StatusActive
- Moisture Sensitivity Level (MSL)1 (Unlimited)
- Base Part NumberAD7768
- InterfaceSPI
- Number of Bits24
- Utilized IC / PartAD7768-4
- Supplied ContentsBoard(s)
- Data InterfaceSPI
- Sampling Rate256 ksps
- Evaluation KitYes
- Sampling Rate (Per Second)256k
- Number of A/D Converters4
- Input Range±VREF
- Power (Typ) @ Conditions345mW @ 256kSPS
- REACH SVHCNo SVHC
- RoHS StatusROHS3 Compliant
- Lead FreeContains Lead
0 Similar Products Remaining
Technical Documents
Associated Products
| Part Number | Manufacturer | Description | Stock | RFQ |
|---|---|---|---|---|
| Analog Devices Inc. | IC OPAMP VFB 80MHZ RRO SOT23-6 | 25 | RFQ | |
| Analog Devices Inc. | ANALOG DEVICES - ADA4896-2ARMZ - OP AMP, 230MHz, 120V/uS, 500 uV, MSOP-8 | 0 | RFQ | |
| Analog Devices Inc. | IC REG LINEAR 3.3V 200MA 8SOIC | 185 | RFQ | |
| Analog Devices Inc. | IC REG LINEAR 5V 200MA 8SOIC | 0 | RFQ | |
| Analog Devices Inc. | LDO Regulator Pos 1.2V to 19V 0.2A 8-Pin SOIC N EP Tube | 8 | BUY | |
| Analog Devices Inc. | IC OPAMP GP 2 CIRCUIT 8MSOP | 244 | RFQ | |
| Analog Devices Inc. | 4-Channel Quad ADC Delta-Sigma 256ksps 24-bit Serial 64-Pin LQFP Tray | 0 | RFQ | |
| Analog Devices Inc. | OP Amp Single Volt Fdbk R-R O/P ±6V/12V 6-Pin SOT-23 T/R | 496308 | RFQ | |
| Analog Devices Inc. | ANALOG DEVICES ADR444BRZ Voltage Reference, Ultralow Noise, Series - Fixed, ADR444 Series, 4.096V, NSOIC-8 | 4 | RFQ |


Product
Brand
Articles
Tools






























