Linear Technology/Analog Devices DC746ABOARD DELTA SIGMA ADC LTC2412
Description
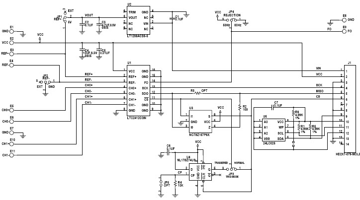
The Analog Devices DC746A-A, DC746A, LTC2412CGN Demo Board is a two-channel 24-bit differential ADC instrumentation and measurement board. It is designed to demonstrate the performance of the LTC2412CGN differential ADC. The board features two differential inputs with a maximum input voltage of ±10V, and a maximum sampling rate of 1.25MSPS. It also includes a reference voltage of 2.5V, and a power supply of 5V. The board is ideal for applications such as data acquisition, instrumentation, and measurement.
Specifications
Linear Technology/Analog Devices technical specifications, attributes, parameters and parts with similar specifications to Linear Technology/Analog Devices .
- TypeParameter
- Lifecycle StatusPRODUCTION (Last Updated: 3 weeks ago)
- Factory Lead Time8 Weeks
- Number of Pins0
- PackagingBox
- Published2004
- Part StatusActive
- Moisture Sensitivity Level (MSL)1 (Unlimited)
- InterfaceSPI, Serial
- Number of Bits24
- Utilized IC / PartLTC2412
- Supplied ContentsBoard(s)
- Data InterfaceMICROWIRE™, Serial, SPI™
- Sampling Rate7.5 sps
- Evaluation KitYes
- Sampling Rate (Per Second)7.5
- Number of A/D Converters1
- REACH SVHCNo SVHC
- RoHS StatusROHS3 Compliant
0 Similar Products Remaining
Technical Documents
Associated Products
| Part Number | Manufacturer | Description | Stock | RFQ |
|---|---|---|---|---|
| ON Semiconductor | ON SEMICONDUCTOR - NL17SZ74USG - Flip-Flop, Complementary, Positive Edge, D, 2.6 ns, 250 MHz, 32 mA, US8 | 947 | RFQ | |
| Microchip Technology | IC EEPROM 2KBIT 400KHZ 8TSSOP | 200 | RFQ | |
| Microchip Technology | EEPROM Serial-I2C 2K-bit 256 x 8 3.3V/5V 8-Pin MSOP Tube | 3566 | RFQ | |
| Microchip Technology | EEPROM Serial-I2C 2K-bit 256 x 8 3.3V/5V 8-Pin TSSOP Tube | 27 | RFQ | |
| Microchip Technology | EEPROM Serial-I2C 2K-bit 256 x 8 3.3V/5V 8-Pin PDIP Tube | 0 | RFQ | |
| Microchip Technology | EEPROM Serial-I2C 2K-bit 256 x 8 3.3V/5V 8-Pin MSOP Tube | 619 | RFQ | |
| Microchip Technology | 24LC025 Series 2 Kb I2C 2 Wire (256 x 8) 2.5 V Serial EEPROM - PDIP-8 | 1652 | BUY | |
| Microchip Technology | EEPROM Serial-I2C 2K-bit 256 x 8 3.3V/5V 8-Pin SOIC N T/R | 27 | RFQ | |
| Microchip Technology | IC EEPROM 2K I2C 400KHZ 8TDFN | 0 | RFQ | |
| Microchip Technology | IC EEPROM 2K I2C 400KHZ 8DFN | 35 | RFQ | |
| Microchip Technology | MICROCHIP - 24LC025-I/ST - SERIAL EEPROM, 2KBIT, 400KHZ, TSSOP-8 | 25 | RFQ |
Load more


Product
Brand
Articles
Tools


















