Linear Technology/Analog Devices DC997B-DEVAL BOARD FOR LTC2242-10
Description
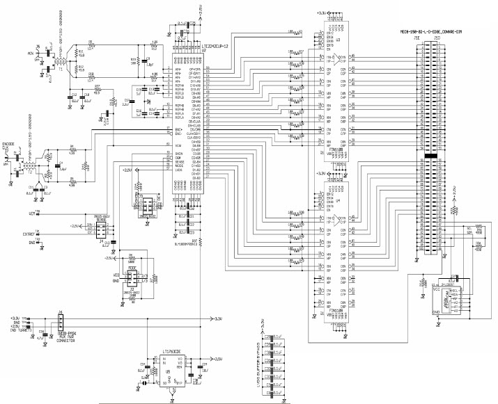
The Analog Devices DC997B-D, LTC2242CUP-10 Demo Board is a high-performance instrumentation and measurement amplifier designed for use in a wide range of applications. It features a low-voltage differential signaling (LVDS) output, with a supply voltage of 2.5V, and a maximum sampling rate of 250 Msps. The board is capable of 10-bit resolution and has a frequency range of 10MHz to 250MHz. It is ideal for applications such as signal conditioning, data acquisition, and instrumentation.
Specifications
Linear Technology/Analog Devices technical specifications, attributes, parameters and parts with similar specifications to Linear Technology/Analog Devices .
- TypeParameter
- Lifecycle StatusPRODUCTION (Last Updated: 3 weeks ago)
- Factory Lead Time4 Weeks
- Number of Pins0
- PackagingBox
- Published2006
- Part StatusObsolete
- Moisture Sensitivity Level (MSL)1 (Unlimited)
- Base Part NumberLTC2242
- InterfaceLVDS, Parallel
- Number of Bits10
- Utilized IC / PartLTC2242-10
- Supplied ContentsBoard(s)
- Data InterfaceCMOS, LVDS, Parallel
- Sampling Rate250 Msps
- Evaluation KitYes
- Sampling Rate (Per Second)250M
- Number of A/D Converters1
- Input Range2Vpp
- Power (Typ) @ Conditions858mW @ 250MSPS
- REACH SVHCNo SVHC
- RoHS StatusRoHS Compliant
0 Similar Products Remaining
Technical Documents
Associated Products
| Part Number | Manufacturer | Description | Stock | RFQ |
|---|---|---|---|---|
| Microchip Technology | IC EEPROM 2K I2C 400KHZ 8SOIC | 0 | RFQ | |
| Microchip Technology | EEPROM Serial-I2C 2K-bit 256 x 8 3.3V/5V 8-Pin TSSOP Tube | 0 | RFQ | |
| Microchip Technology | Microchip 24LC025-I/SN Serial EEPROM Memory; 2kbit; 1000ns; 2.5 to 5.5V 8-Pin SOIC | 0 | RFQ | |
| Analog Devices, Inc. | LDO Regulator Pos 1.5V 0.5A Automotive 12-Pin DFN EP | 0 | RFQ | |
| Analog Devices, Inc. | LT1763 - 500mA, Low Noise, LDO Micropower Regulators | 0 | RFQ | |
| Linear Technology/Analog Devices | IC REG LINEAR 1.5V 500MA 12DFN | 0 | RFQ |


Product
Brand
Articles
Tools

















