Maxim Integrated MAX11210EVKIT+Data Conversion IC Development Tools Eval Kit MAX11200, MAX11206, MAX11209, MAX11210, and MAX11213 (24-Bit, Single-Channel, Ultra-Low Power,
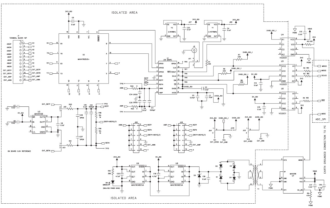
The MAX11210EVKIT+ is an evaluation kit for the MAX11210 24-bit, 480SPS, 1CH ADC for I/O sensor module, power management, and industrial applications. This kit includes the MAX11210 24-bit ADC, a MAX11210 evaluation board, and a USB-to-I2C interface board. The MAX11210 is a low-power, high-precision analog-to-digital converter (ADC) that is ideal for industrial and medical applications. It features a 24-bit resolution, a sampling rate of up to 480 samples per second, and a single-ended input channel. The evaluation board includes a variety of features, such as a power supply, a temperature sensor, and a voltage reference. The USB-to-I2C interface board allows for easy connection to a PC for programming and data acquisition. The MAX11210EVKIT+ is a great tool for evaluating the performance of the MAX11210 ADC and for developing applications that require high-precision analog-to-digital conversion.
- TypeParameter
- Factory Lead Time6 Weeks
- PackagingBox
- Published2010
- Part StatusActive
- Moisture Sensitivity Level (MSL)1 (Unlimited)
- InterfaceSPI, Serial
- Number of Bits24
- Utilized IC / PartMAX11210
- Supplied ContentsBoard(s), Cable(s)
- Data InterfaceMICROWIRE™, QSPI™, Serial, SPI™
- Evaluation KitYes
- Number of A/D Converters1
- Input Range±VREF
- RoHS StatusROHS3 Compliant
| Part Number | Manufacturer | Description | Stock | RFQ |
|---|---|---|---|---|
| Maxim Integrated | 0 | RFQ | ||
| Maxim Integrated | IC, TRANSFORMER H-BRIDGE DRIVER 1A 8-SOIC - More Details | 300 | RFQ | |
| Analog Devices | IC REG LINEAR POS ADJ 200MA SOT6 | 0 | RFQ | |
| Maxim Integrated | IC VREF SERIES 0.06% 8UMAX | 3063 | BUY | |
| Maxim Integrated | IC REG LIN POS ADJ 350MA 8SOIC | 16210 | BUY | |
| Maxim Integrated | IC MULTIPLEXER DUAL 4X1 16TSSOP | 3098 | BUY |


Product
Brand
Articles
Tools














