Maxim Integrated MAX5857EVKIT#EVAL MAX5857 DAC 16BIT 5.9GSPS
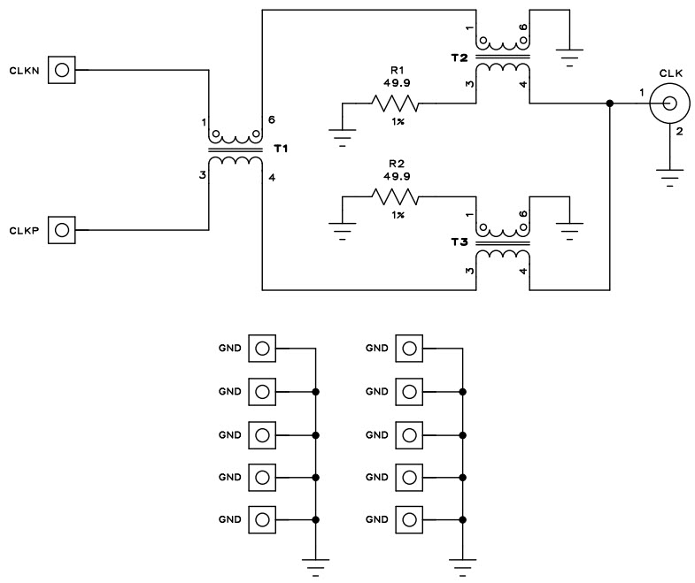
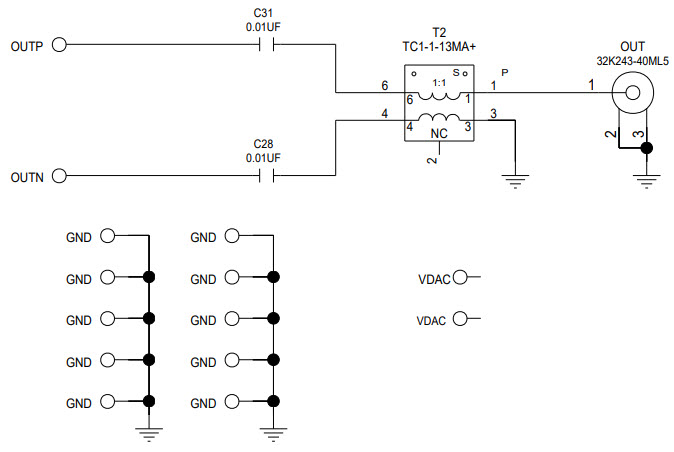
The Maxim Integrated MAX5857EVKIT-EVKIT# is an evaluation kit for the MAX5857 16-bit, 5.9Gsps wideband interpolating and modulating RF DAC with JESD204B interface. This kit provides a complete platform for evaluating the performance of the MAX5857 in a wide range of communications and telecom applications. The kit includes a MAX5857 evaluation board, a MAX5857 evaluation software, and a USB cable for connecting the board to a PC. The evaluation board features a wide range of test points and connectors for easy evaluation of the MAX5857's performance. The evaluation software provides a graphical user interface for configuring the MAX5857 and monitoring its performance. The MAX5857EVKIT-EVKIT# is an ideal solution for evaluating the performance of the MAX5857 in communications and telecom applications.
- TypeParameter
- PackagingBulk
- Part StatusActive
- Moisture Sensitivity Level (MSL)1 (Unlimited)
- Number of Bits16
- Utilized IC / PartMAX5857
- Supplied ContentsBoard(s)
- Data InterfaceJESD204B, Serial
- Settling Time20ns
- Sampling Rate (Per Second)5.9G
- Number of DAC Channels1
- DAC TypeCurrent
- RoHS StatusROHS3 Compliant
| Part Number | Manufacturer | Description | Stock | RFQ |
|---|---|---|---|---|
| Maxim Integrated | MAXIM INTEGRATED PRODUCTS MAX6120EUR T. | 0 | BUY | |
| Microchip Technology | EEPROM 128x16 | 0 | RFQ | |
| Texas Instruments | TEXAS INSTRUMENTS SN74AVC4T774PW 4 BIT BUS TRANSCEIVER, TSSOP-16 | 0 | RFQ | |
| Maxim Integrated | IC REG LINEAR 3.3V 120MA SC70-5 | 6180 | BUY |


Product
Brand
Articles
Tools


































