Analog Devices AD9734-EBZEvaluation Board For AD9735 DAC, 10-/12-/14-Bit, 1200 MSPS DACs
Description
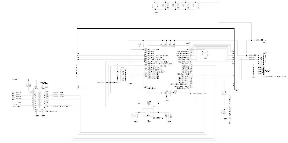
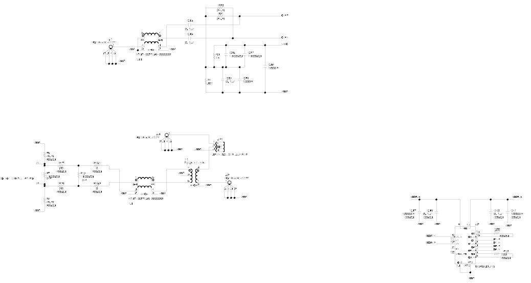
The Analog Devices AD9734-EBZ Evaluation Board is a versatile tool for instrumentation and measurement applications. It is designed to evaluate the performance of the AD9734, a 10-bit, 1.2 GSPS serial voltage output digital-to-analog converter. The board features a wide range of features, including a wide input voltage range, low power consumption, and a high-speed serial interface. It also includes a variety of test points and connectors for easy connection to external test equipment. The board is ideal for use in a variety of instrumentation and measurement applications, such as signal generation, signal conditioning, and data acquisition.
Specifications
Analog Devices technical specifications, attributes, parameters and parts with similar specifications to Analog Devices .
- TypeParameter
- RoHSCompliant
- Evaluation KitYes
0 Similar Products Remaining
Associated Products
| Part Number | Manufacturer | Description | Stock | RFQ |
|---|---|---|---|---|
| Analog Devices Inc. | IC TRNSLTR BIDIRECTIONAL 20LFCSP | 33 | BUY | |
| Microchip Technology | IC MCU 8BIT 32KB FLASH 44QFN | 6 | RFQ | |
| Abracon LLC | CRYSTAL 20.0000MHZ 10PF SMD | 14650 | RFQ | |
| Analog Devices Inc. | IC TRNSLTR BIDIRECTIONAL 20LFCSP | 5000 | BUY |


Product
Brand
Articles
Tools



















