Analog Devices Inc. EVAL-AD5764REBZANALOG DEVICES EVAL-AD5764REBZ AD5764REBZ EVALUATION MODULE
Description
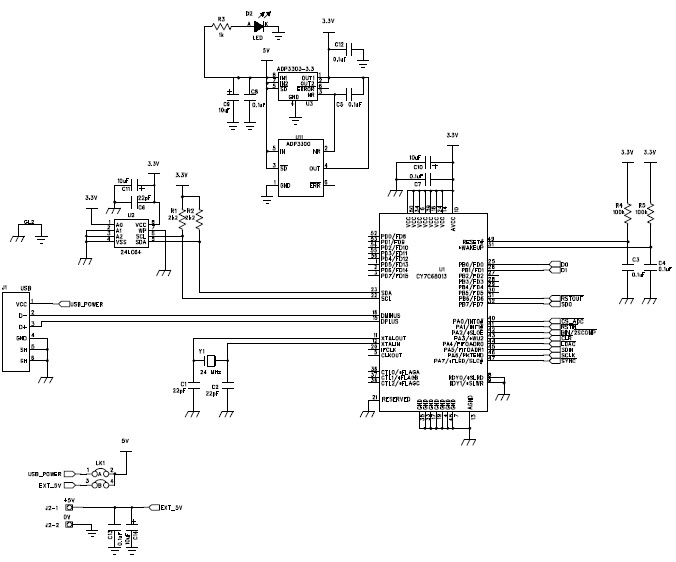
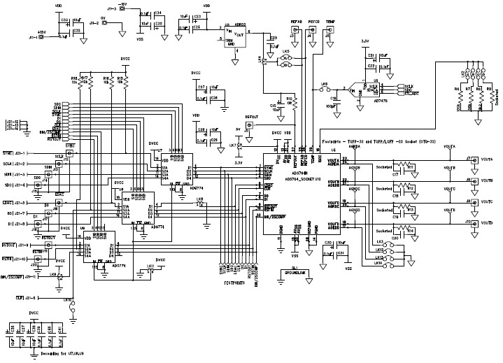
The Analog Devices EVAL-AD5764REBZ is a 16-bit, 4-channel digital-to-analog converter (DAC) designed for instrumentation and measurement applications. It features a wide operating temperature range of -40°C to +125°C, low power consumption, and a high resolution of 16-bits. The device is capable of providing a wide range of output voltage levels, from 0V to 5V, and can be used to generate precise analog signals for a variety of instrumentation and measurement applications. It also features a low noise floor and fast settling time, making it ideal for applications requiring high accuracy and precision. The EVAL-AD5764REBZ is a reliable and cost-effective solution for instrumentation and measurement applications.
Specifications
Analog Devices Inc. technical specifications, attributes, parameters and parts with similar specifications to Analog Devices Inc. .
- TypeParameter
- Lifecycle StatusPRODUCTION (Last Updated: 4 weeks ago)
- Factory Lead Time8 Weeks
- Package / CaseModule
- Number of Pins0
- PackagingBulk
- Part StatusActive
- Moisture Sensitivity Level (MSL)1 (Unlimited)
- Max Operating Temperature85°C
- Min Operating Temperature-40°C
- Base Part NumberAD5764
- Operating Supply Voltage15V
- InterfaceSPI, Serial, USB
- Number of Bits16
- Utilized IC / PartAD5764R
- Supplied ContentsBoard(s)
- Data InterfaceDSP, MICROWIRE™, QSPI™, Serial, SPI™
- Resolution2 B
- Evaluation KitYes
- Settling Time8μs
- Number of DAC Channels4
- DAC TypeVoltage
- REACH SVHCNo SVHC
- RoHS StatusROHS3 Compliant
- Lead FreeContains Lead
0 Similar Products Remaining
Technical Documents
Associated Products
| Part Number | Manufacturer | Description | Stock | RFQ |
|---|---|---|---|---|
| Microchip Technology | IC EEPROM 64K I2C 400KHZ 8TDFN | 7417 | RFQ | |
| Microchip Technology | IC EEPROM 64K I2C 400KHZ 8DIP | 20000 | BUY | |
| Microchip Technology | MICROCHIP - 24LC64-I/SM - SERIAL EEPROM, 64KBIT, 400KHZ, SOIJ-8 | 11550 | RFQ | |
| Microchip Technology | EEPROM 8kx8 - 2.5V | 7500 | BUY | |
| Microchip Technology | EEPROM 8kx8 - 2.5V | 5000 | RFQ | |
| Microchip | 8K X 8 I2C/2-WIRE SERIAL EEPROM, PDSO8, 3.90 MM, ROHS COMPLIANT, PLASTIC, SOIC-8 | 1747 | BUY | |
| Microchip Technology | EEPROM Serial-I2C 64K-bit 8K x 8 3.3V/5V Automotive 8-Pin MSOP Tube | 12 | BUY | |
| Microchip Technology | EEPROM SERIAL 64K, 24LC64, SOIC8 | 700 | RFQ | |
| Microchip Technology | MICROCHIP - 24LC64-I/MS - SERIAL EEPROM, 64KBIT, 400KHZ, MSOP-8 | 0 | RFQ | |
| Microchip Technology | MICROCHIP - 24LC64-E/SN - SERIAL EEPROM, 64KBIT, 400KHZ, SOIC-8 | 0 | BUY | |
| Analog Devices Inc. | IC VREF SERIES 0.06% 8SOIC | 1 | RFQ |
Load more


Product
Brand
Articles
Tools




















