Analog Devices, Inc. EVAL-AD5415SDZ
Description
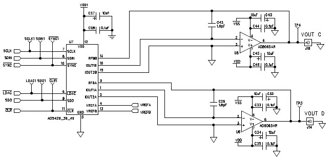
The Analog Devices EVAL-AD5415SDZ is a 12-bit, 2.47MSPS, 2-channel analog-to-digital converter designed for portable, instrumentation and measurement applications. It features a low power consumption of only 1.2 mW/channel, a wide input range of 0V to 5V, and a fast conversion rate of 2.47MSPS. The device also includes a built-in reference voltage of 2.5V, and a programmable gain amplifier (PGA) with a gain range of 1 to 128. The EVAL-AD5415SDZ is ideal for applications such as data acquisition, signal conditioning, and instrumentation. It is also RoHS compliant and comes with a comprehensive evaluation board for easy testing and evaluation.
Specifications
Analog Devices, Inc. technical specifications, attributes, parameters and parts with similar specifications to Analog Devices, Inc. .
- TypeParameter
- Max Operating Temperature125°C
- Min Operating Temperature-40°C
- Operating Supply Voltage5.5V
- InterfaceSPI, Serial
- Number of Bits12
- Sampling Rate2.47 Msps
- Evaluation KitYes
- Settling Time120 ns
- RoHS StatusRoHS Compliant
0 Similar Products Remaining
Technical Documents
Associated Products
| Part Number | Manufacturer | Description | Stock | RFQ |
|---|---|---|---|---|
| Microchip Technology | 24LC64 Series 64-Kbit (8 K x 8) 400 kHz I2C Serial EEPROM - SOIJ-8 | 7630 | BUY | |
| Microchip Technology | MICROCHIP - 24LC64-I/ST - EEPROM, AEC-Q100, 64 Kbit, 8K x 8 bit, Seriell I2C (2-Draht), 400 kHz, TSSOP, 8 Pin(s) | 600 | RFQ | |
| Microchip Technology | IC EEPROM 64KBIT 400KHZ 8MSOP | 20000 | RFQ | |
| Analog Devices Inc. | IC OPAMP VFB 145MHZ RRO SOT23-5 | 6857 | RFQ | |
| Analog Devices Inc. | IC DAC DUAL 12BIT MULT 16TSSOP | 3000 | RFQ | |
| Microchip Technology | MICROCHIP - 24LC64T-I/OT - EEPROM, 64 Kbit, 8K x 8bit, Serial I2C (2-Wire), 400 kHz, SOT-23, 5 Pins | 3000 | RFQ | |
| Microchip Technology | MICROCHIP - 24LC64T-I/MC - SERIAL EEPROM, 64KBIT, 400KHZ, DFN-8 | 30074 | BUY | |
| Microchip | 8K X 8 I2C/2-WIRE SERIAL EEPROM, PDSO8, 3.90 MM, ROHS COMPLIANT, PLASTIC, SOIC-8 | 1747 | BUY | |
| Microchip Technology | EEPROM SERIAL 64K, 24LC64, SOIC8 | 700 | RFQ | |
| Analog Devices Inc. | ANALOG DEVICES AD8065ARTZ-R2Operational Amplifier, Single, 145 MHz, 1 Amplifier, 180 V/s, 5V to 24V, SOT-23, 5 Pins | 978 | RFQ | |
| Analog Devices Inc. | Operational Amplifiers - Op Amps High Perf 145 MHz | 1000 | RFQ |
Load more


Product
Brand
Articles
Tools




















