Analog Devices Inc. AD9142-M5375-EBZAD9142BCPZ/AD9142BCPZRL DAC Evaluation Board 1600MSPS
Description
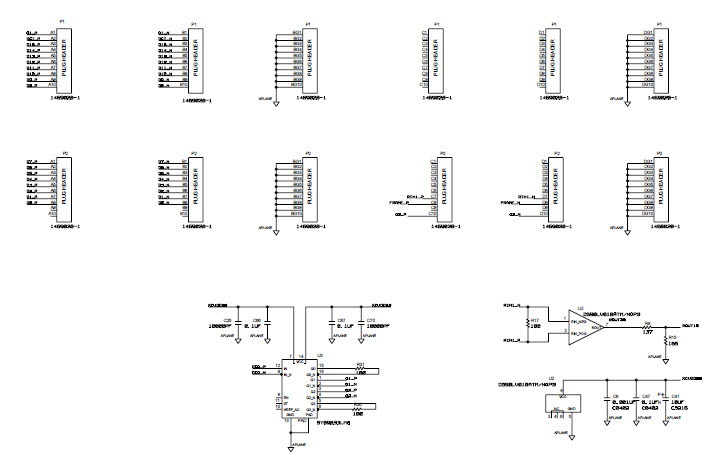
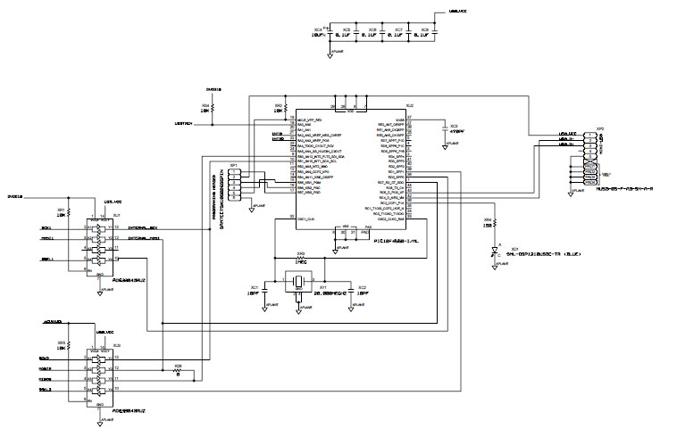
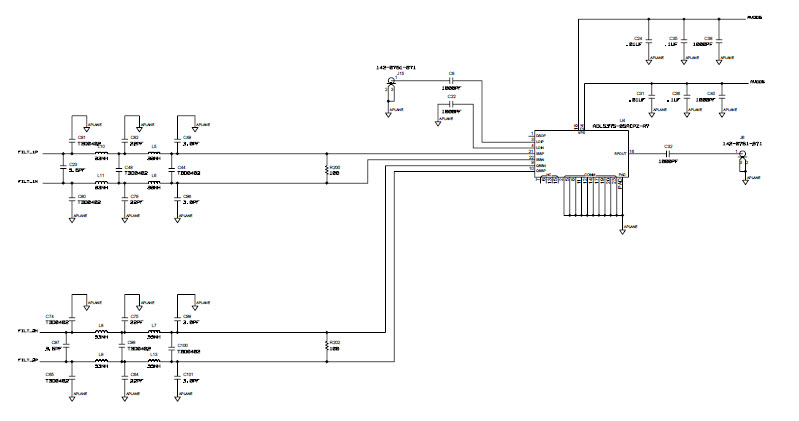
The Analog Devices AD9142-M5375-EBZ Evaluation Board is designed to evaluate the performance of the AD9142 high-speed, signal processing Digital to Analog Converter (DAC). This board is ideal for applications in communications and telecom, providing a wide range of features and capabilities. The board includes a high-speed, low-noise, low-distortion DAC, a wideband, low-noise amplifier, and a low-noise, low-distortion clock generator. The board also includes a variety of connectors and test points for easy evaluation and testing. The AD9142-M5375-EBZ Evaluation Board is a great tool for engineers and designers looking to evaluate the performance of the AD9142 DAC in communications and telecom applications.
Specifications
Analog Devices Inc. technical specifications, attributes, parameters and parts with similar specifications to Analog Devices Inc. .
- TypeParameter
- MountCable
- Number of Pins0
- PackagingBox
- SeriesTxDAC+®
- Part StatusObsolete
- Moisture Sensitivity Level (MSL)1 (Unlimited)
- Max Operating Temperature85°C
- Min Operating Temperature-40°C
- Base Part NumberAD9142
- Operating Supply Voltage5V
- InterfaceLVDS, SPI, Serial, USB
- Power Dissipation1.8W
- Number of Bits16
- Utilized IC / PartAD9142, ADL5375
- Supplied ContentsBoard(s)
- Data InterfaceLVDS - Serial, SPI
- Resolution2 B
- Evaluation KitYes
- Settling Time20ns
- Sampling Rate (Per Second)1.6G
- Conversion Rate1.6 Gsps
- Number of DAC Channels2
- DAC TypeCurrent
- REACH SVHCNo SVHC
- RoHS StatusROHS3 Compliant
- Lead FreeContains Lead
0 Similar Products Remaining
Technical Documents
Associated Products
| Part Number | Manufacturer | Description | Stock | RFQ |
|---|---|---|---|---|
| Analog Devices Inc. | Clock Generator 64-Pin LFCSP EP Tray | 0 | RFQ | |
| Texas Instruments | IC RECEIVER 0/1 8SOIC | 9500 | RFQ | |
| Microchip Technology | IC CLK BUFFER 1:4 2GHZ 16MLF | 1735 | BUY | |
| Analog Devices Inc. | ANALOG DEVICES - ADG3304BRUZ - Voltage Level Translator, 4 Input, 6 ns, 1.15 V to 5.5 V, TSSOP-14 | 0 | RFQ | |
| Microchip Technology | IC MCU 8BIT 32KB FLASH 44QFN | 6 | RFQ | |
| Texas Instruments | IC BUFFER NON-INVERT 5.5V US8 | 3297 | RFQ | |
| Analog Devices Inc. | IC CLOCK GEN 2.5GHZ VCO 64-LFCSP | 1 | RFQ | |
| Abracon LLC | CRYSTAL 20.0000MHZ 10PF SMD | 14650 | RFQ |


Product
Brand
Articles
Tools




























