Analog Devices Inc. AD9154-EBZData Conversion IC Development Tools AD9154 Eval Board
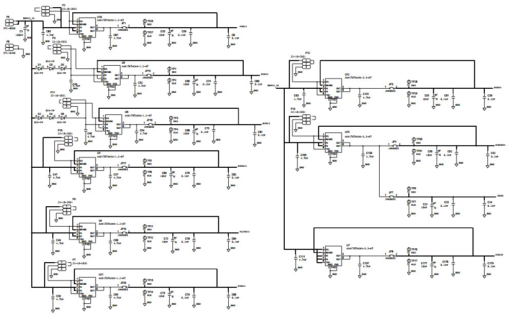
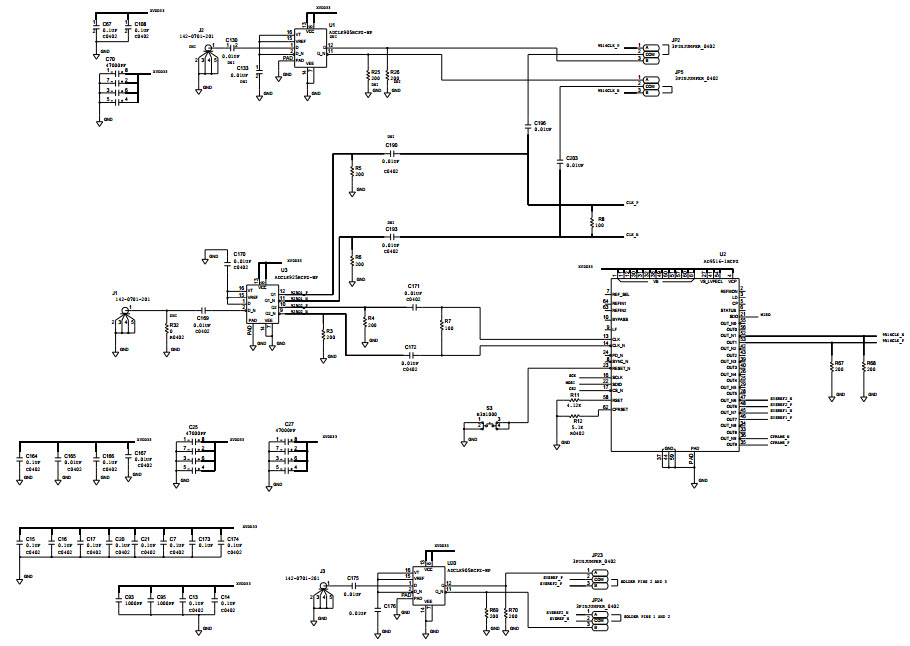
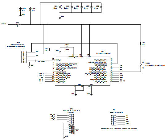
The Analog Devices AD9154-EBZ, DPG3 Evaluation Board is a comprehensive evaluation platform for the AD9154 Quad, 16-Bit, 2.4-GSPS, TxDAC+ Digital-to-Analog Converter. This board provides a complete solution for evaluating the performance of the AD9154, including a wide range of instrumentation and measurement capabilities. The board includes a high-speed FPGA, a high-speed ADC, and a high-speed DAC, as well as a range of other components and connectors. The board also includes a range of software tools for configuring and controlling the AD9154, as well as for analyzing and visualizing the performance of the device. The board is designed to provide a comprehensive evaluation platform for the AD9154, allowing users to quickly and easily evaluate the performance of the device.
- TypeParameter
- MountPCB
- Number of Pins0
- SeriesTxDAC+®
- PackagingBox
- Part StatusObsolete
- Moisture Sensitivity Level (MSL)1 (Unlimited)
- Max Operating Temperature85°C
- Min Operating Temperature-40°C
- Base Part NumberAD9154
- InterfaceSPI, Serial
- Number of Bits16
- Utilized IC / PartAD9154
- Supplied ContentsBoard(s)
- Data InterfaceSerial JESD204B, SPI™
- Evaluation KitYes
- Settling Time20ns
- Sampling Rate (Per Second)2.4G
- Number of DAC Channels4
- DAC TypeCurrent
- RoHS StatusROHS3 Compliant
- Lead FreeContains Lead
| Part Number | Manufacturer | Description | Stock | RFQ |
|---|---|---|---|---|
| Analog Devices Inc. | IC CLK BUFFER 1:2 7.5GHZ 16LFCSP | 1000 | BUY | |
| Analog Devices Inc. | Clock Generator 64-Pin LFCSP EP Tray | 0 | RFQ | |
| Analog Devices Inc. | DAC 4-CH 16-bit 88-Pin LFCSP EP Tray | 2795 | RFQ | |
| Microchip Technology | IC MCU 8BIT 16KB FLASH 28QFN | 1446 | RFQ | |
| Analog Devices Inc. | IC REG LINEAR 3.3V 1A 8LFCSP | 1338 | BUY | |
| Analog Devices Inc. | IC CLOCK GEN 2.5GHZ VCO 64-LFCSP | 1 | RFQ | |
| Analog Devices Inc. | IC CLK BUFFER 1:1 7.5GHZ 16LFCSP | 2789 | BUY |


Product
Brand
Articles
Tools

























