Analog Devices Inc. AD9154-M6720-EBZData Conversion IC Development Tools AD9154 Eval Board w/ 6720 Mod
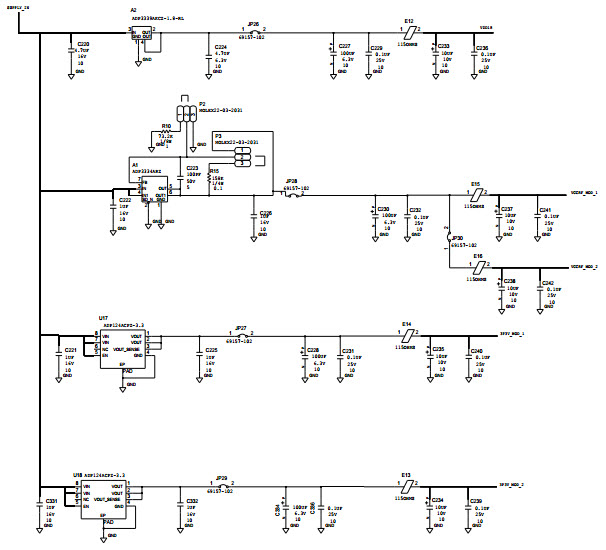
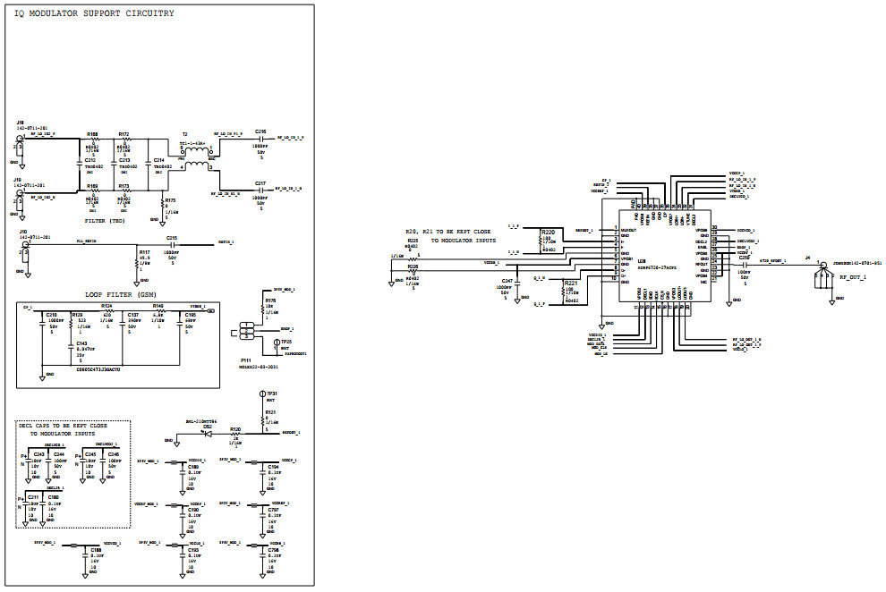
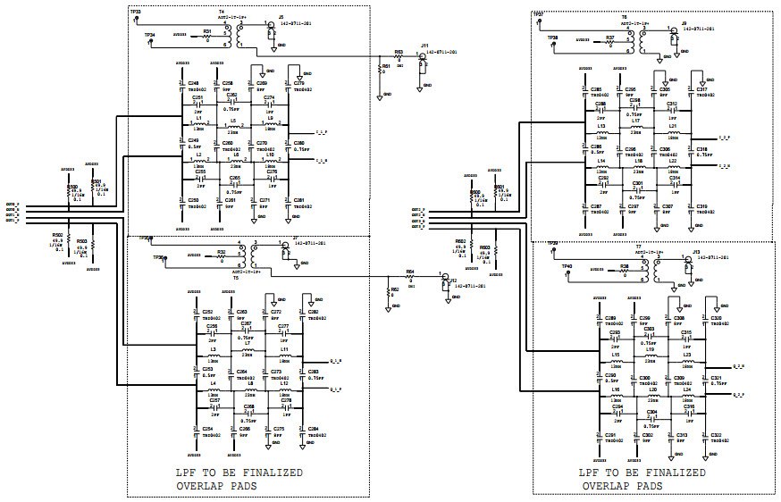
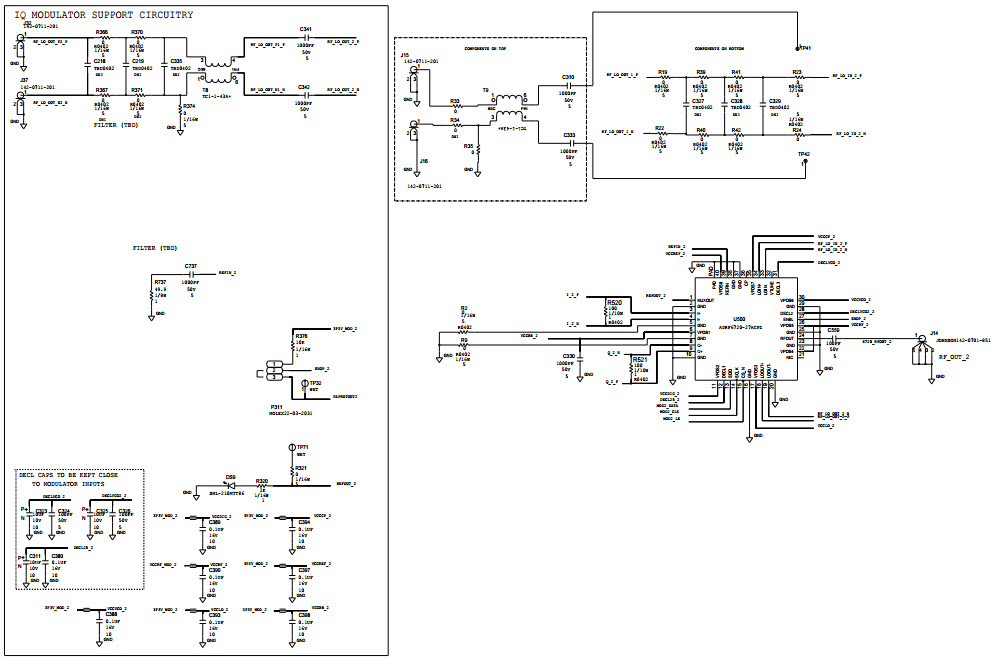
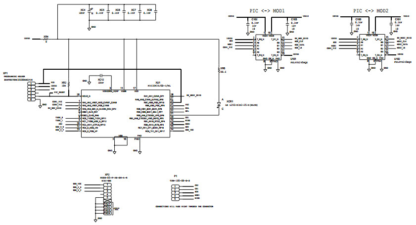
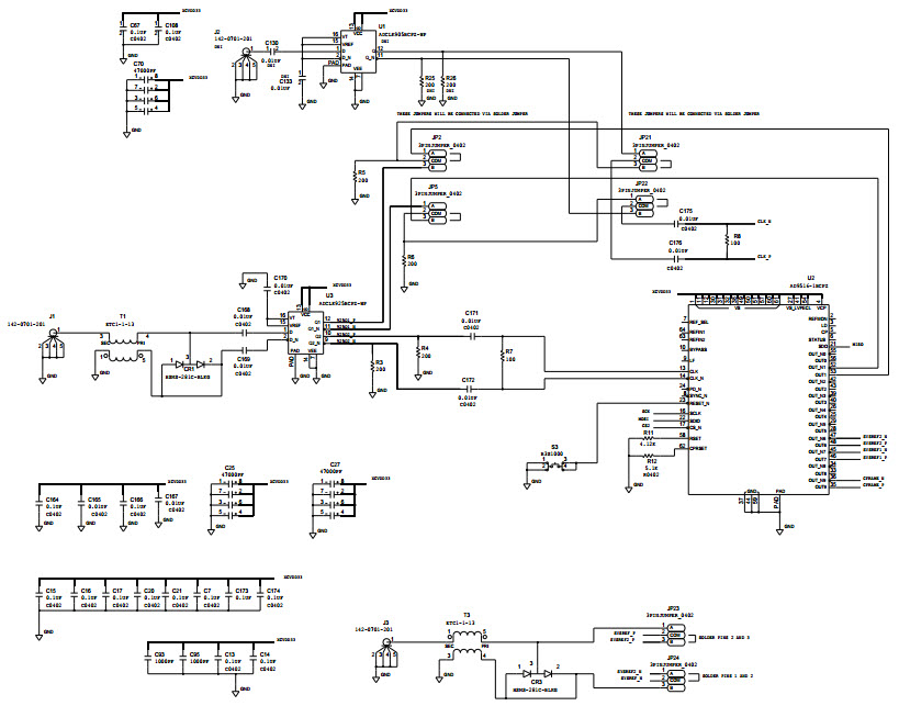
The Analog Devices AD9154-M6720-EBZ, DPG3 Evaluation Board with ADRF6720 Modulator is a comprehensive evaluation platform for the AD9154 Quad, 16-Bit, 2.4-GSPS, TxDAC+ Digital-to-Analog Converter. This board is designed to provide a complete solution for evaluating the performance of the AD9154 in instrumentation and measurement applications. The board includes an ADRF6720 modulator, which provides a wide range of modulation formats and data rates, and a high-performance, low-noise power supply. The board also includes a variety of connectors and test points for easy connection to external test equipment. The board is designed to provide a comprehensive evaluation platform for the AD9154, allowing users to quickly and easily evaluate the performance of the device in a variety of instrumentation and measurement applications.
- TypeParameter
- MountPCB
- Number of Pins0
- SeriesTxDAC+®
- PackagingBox
- Part StatusObsolete
- Moisture Sensitivity Level (MSL)1 (Unlimited)
- Max Operating Temperature85°C
- Min Operating Temperature-40°C
- Base Part NumberAD9154
- InterfaceSPI, Serial
- Number of Bits16
- Utilized IC / PartAD9154
- Supplied ContentsBoard(s)
- Data InterfaceSerial JESD204B, SPI™
- Evaluation KitYes
- Settling Time20ns
- Sampling Rate (Per Second)2.4G
- Number of DAC Channels4
- DAC TypeCurrent
- RoHS StatusROHS3 Compliant
- Lead FreeContains Lead
| Part Number | Manufacturer | Description | Stock | RFQ |
|---|---|---|---|---|
| Analog Devices Inc. | IC CLK BUFFER 1:2 7.5GHZ 16LFCSP | 1000 | BUY | |
| Analog Devices Inc. | Clock Generator 64-Pin LFCSP EP Tray | 0 | RFQ | |
| Microchip Technology | IC MCU 8BIT 16KB FLASH 28QFN | 1446 | RFQ | |
| Analog Devices Inc. | IC REG LINEAR 3.3V 500MA 8LFCSP | 50 | RFQ | |
| Analog Devices Inc. | IC REG LINEAR 3.3V 1A 8LFCSP | 1338 | BUY | |
| Analog Devices Inc. | IC CLK BUFFER 1:1 7.5GHZ 16LFCSP | 2789 | BUY |


Product
Brand
Articles
Tools

































