Analog Devices Inc. EVAL-AD5686RSDZBOARD EVAL FOR AD5686R
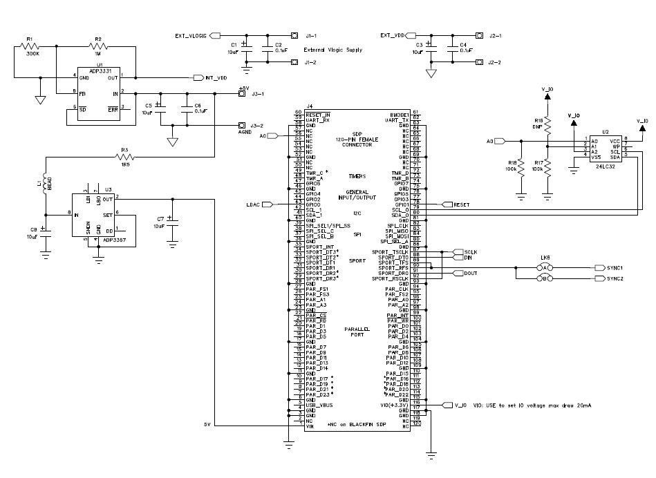
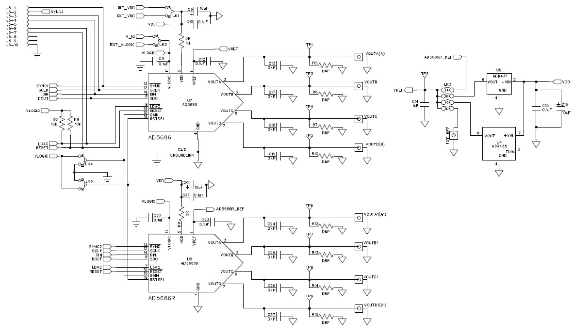
The Analog Devices EVAL-AD5686RSDZ Evaluation Board is a versatile tool for evaluating the performance of the AD5686R, a 16-bit, quad channel voltage output digital to analog converter. This board is designed for instrumentation and measurement applications, and features a wide range of features to help users evaluate the performance of the AD5686R. It includes a power supply, a USB interface, a 16-bit DAC, a quad channel voltage output, and a variety of connectors and jumpers for easy connection to external devices. The board also includes a comprehensive set of software tools to help users configure and evaluate the performance of the AD5686R. The EVAL-AD5686RSDZ Evaluation Board is an ideal tool for engineers and researchers looking to evaluate the performance of the AD5686R.
- TypeParameter
- Lifecycle StatusPRODUCTION (Last Updated: 3 weeks ago)
- Factory Lead Time8 Weeks
- Number of Pins0
- PackagingBox
- SeriesnanoDAC®
- Part StatusActive
- Moisture Sensitivity Level (MSL)1 (Unlimited)
- Max Operating Temperature105°C
- Min Operating Temperature-40°C
- Base Part NumberAD5686
- Operating Supply Voltage5.5V
- InterfaceSPI, USB
- Operating Supply Current1.1mA
- Number of Bits16
- Utilized IC / PartAD5686R
- Supplied ContentsBoard(s)
- Data InterfaceSPI
- Resolution2 B
- Evaluation KitYes
- Settling Time5μs
- Number of DAC Channels4
- DAC TypeVoltage
- REACH SVHCNo SVHC
- RoHS StatusROHS3 Compliant
- Lead FreeContains Lead
| Part Number | Manufacturer | Description | Stock | RFQ |
|---|---|---|---|---|
| Analog Devices Inc. | IC DAC 16BIT SPI QUAD 16TSSOP | 11 | RFQ | |
| Analog Devices Inc. | IC DAC 16BIT SPI QUAD 16LFCSP | 30000 | RFQ | |
| Analog Devices Inc. | IC VREF SERIES 0.04% 8SOIC | 16 | RFQ | |
| Analog Devices Inc. | V-Ref Precision 2.5V 30mA 8-Pin MSOP T/R | 20 | RFQ | |
| Analog Devices Inc. | IC VREF SERIES 5V 8MSOP | 1581 | RFQ | |
| Analog Devices Inc. | V-Ref Precision 2.5V 30mA 8-Pin SOIC N T/R | 3000 | BUY | |
| Analog Devices Inc. | ANALOG DEVICES - AD5686ARUZ - DAC, QUAD, 16BIT, 60MHZ SPI, 16TSSOP | 960 | RFQ | |
| Analog Devices Inc. | IC DAC 16BIT SPI 16LFCSP | 14 | RFQ | |
| Analog Devices Inc. | V-Ref Precision 5V 30mA 8-Pin SOIC N T/R | 20 | BUY | |
| Analog Devices Inc. | Voltage References EP 2.5V w/Crnt Sink & Srce Capability | 15 | BUY | |
| Analog Devices Inc. | V-Ref Precision 2.5V 30mA 8-Pin SOIC N T/R | 59 | RFQ | |
| Analog Devices Inc. | IC VREF SERIES 0.04% 8MSOP | 1000 | RFQ |


Product
Brand
Articles
Tools

















