Analog Devices Inc. AD9779A-DPG2-EBZBOARD EVALUATION FOR AD9779A
Description
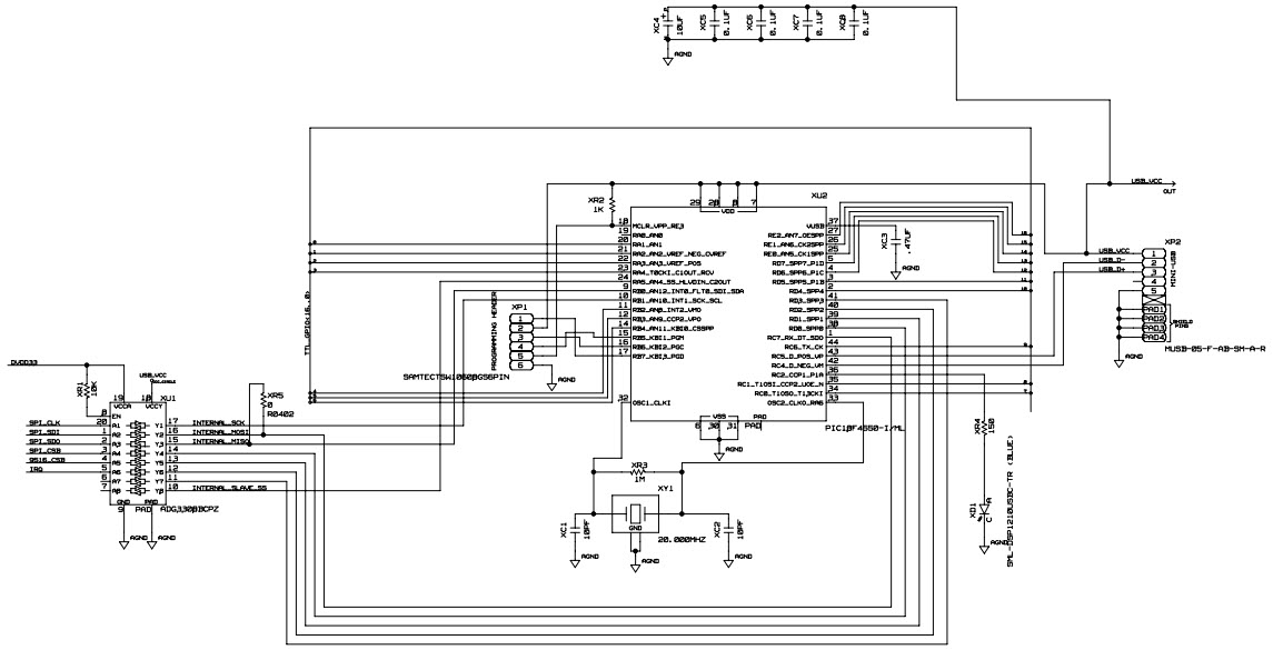
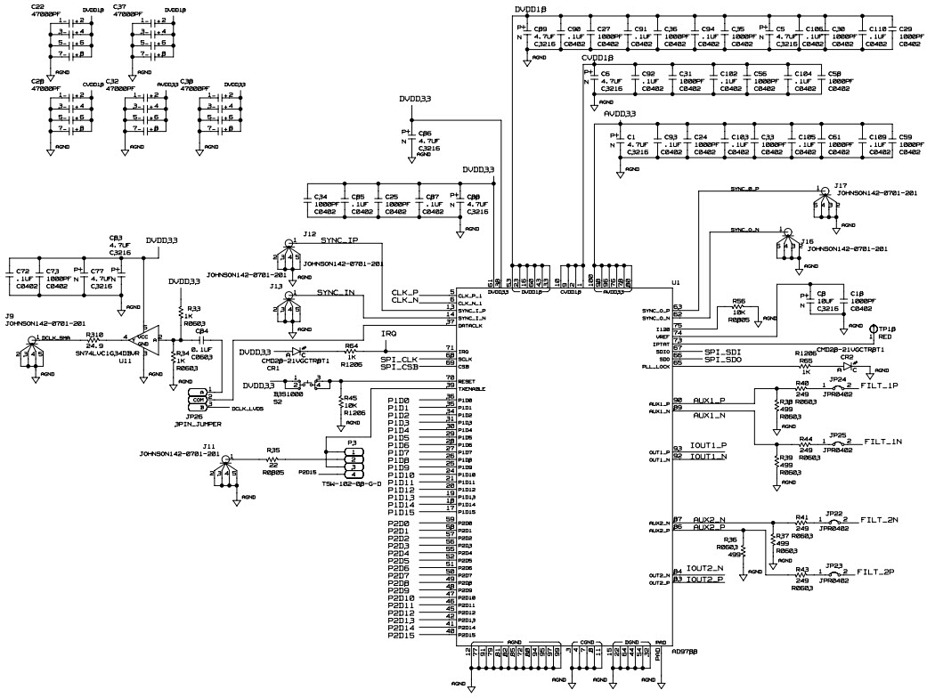
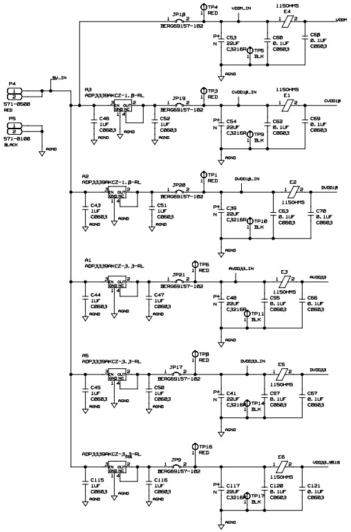
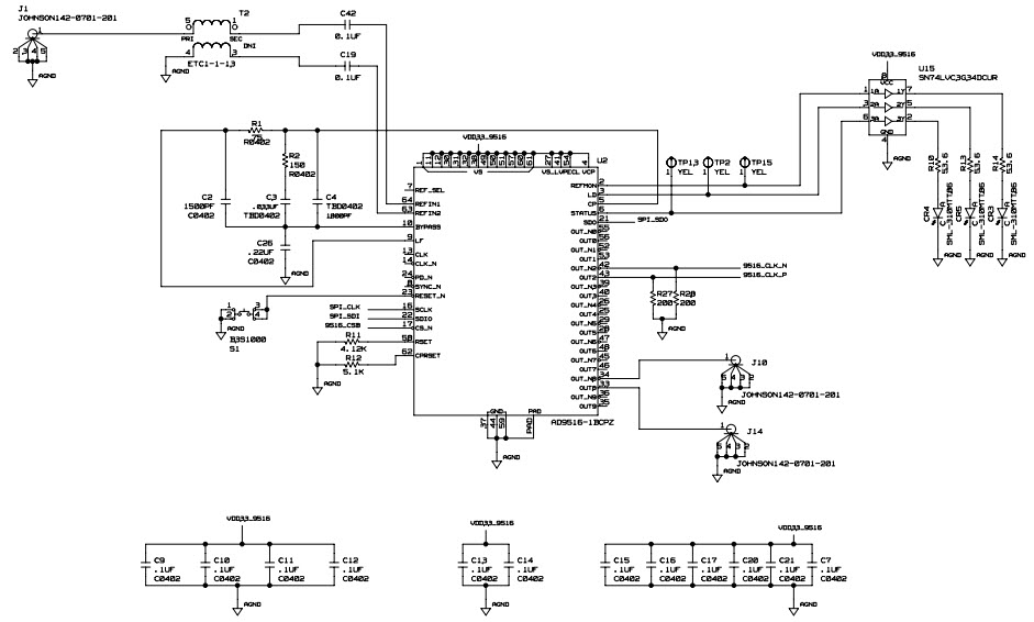
The Analog Devices AD9779A-DPG2-EBZ Evaluation Board is designed to evaluate the performance of the AD9776A Dual, 16-Bit, 1 GSPS Digital to Analog Converter. This evaluation board is ideal for applications in communications and telecom, providing a platform to evaluate the performance of the AD9776A in a variety of conditions. The board includes a power supply, a USB interface, and a variety of connectors for easy connection to other components. The board also includes a variety of test points and jumpers to allow for easy evaluation of the AD9776A's performance. The board is designed to be used with the AD9776A Evaluation Software, which provides a graphical user interface for easy evaluation of the AD9776A's performance.
Specifications
Analog Devices Inc. technical specifications, attributes, parameters and parts with similar specifications to Analog Devices Inc. .
- TypeParameter
- Lifecycle StatusPRODUCTION (Last Updated: 1 week ago)
- Factory Lead Time8 Weeks
- Package / CaseQFP
- Number of Pins0
- PackagingBox
- Part StatusActive
- Moisture Sensitivity Level (MSL)1 (Unlimited)
- Max Operating Temperature85°C
- Min Operating Temperature-40°C
- Base Part NumberAD9779
- Operating Supply Voltage5V
- InterfaceSPI, USB
- Power Dissipation300mW
- Number of Bits16
- Min Input Voltage1.2V
- Max Input Voltage1.2V
- Utilized IC / PartAD9779A
- Supplied ContentsBoard(s), Cable(s)
- Data InterfaceSPI
- Resolution2 B
- Sampling Rate1 Gsps
- Evaluation KitYes
- Sampling Rate (Per Second)1G
- Number of Converters2
- Conversion Rate1 Gsps
- Number of DAC Channels2
- DAC TypeCurrent
- RoHS StatusROHS3 Compliant
- Lead FreeContains Lead
0 Similar Products Remaining
Technical Documents
Associated Products
| Part Number | Manufacturer | Description | Stock | RFQ |
|---|---|---|---|---|
| Analog Devices Inc. | Clock Generator 64-Pin LFCSP EP Tray | 0 | RFQ | |
| Analog Devices Inc. | IC DAC 16BIT 1.0GSPS 100TQFP | 22 | RFQ | |
| Analog Devices Inc. | IC MOD QUAD 400MHZ-6GHZ 24LFCSP | 1000 | RFQ | |
| Analog Devices Inc. | DAC 16BIT 1.0GSPS 100-TQFP | 2887 | RFQ | |
| Microchip Technology | IC MCU 8BIT 32KB FLASH 44QFN | 6 | RFQ | |
| Texas Instruments | IC BUFFER NON-INVERT 5.5V US8 | 3297 | RFQ | |
| Abracon LLC | CRYSTAL 20.0000MHZ 10PF SMD | 14650 | RFQ |


Product
Brand
Articles
Tools



























