Maxim Integrated MAX5868EVKIT#EVAL KIT MAX5868 (16-BIT, 5GSPS
Description
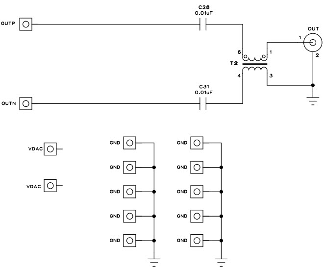
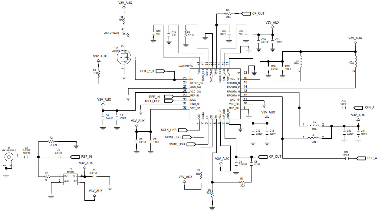
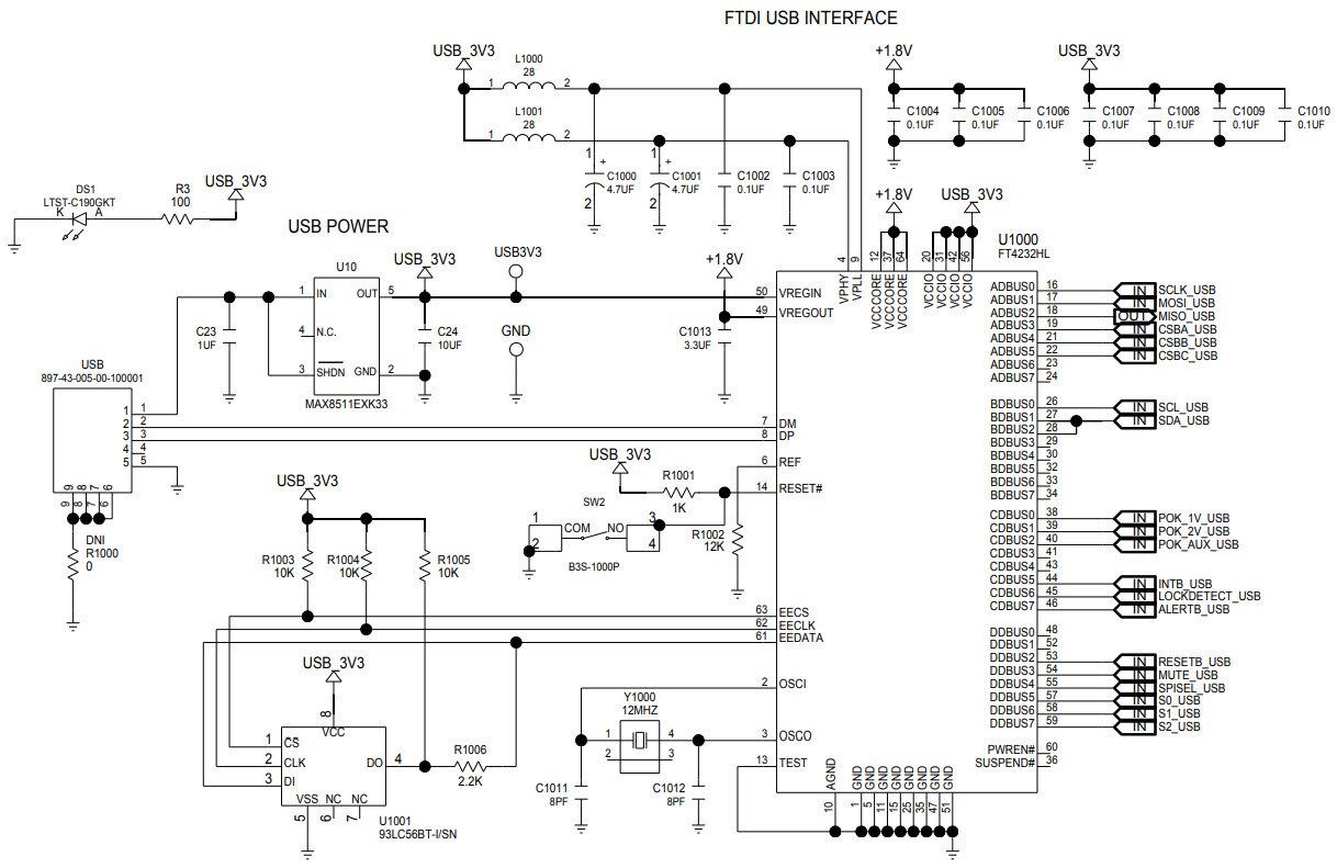
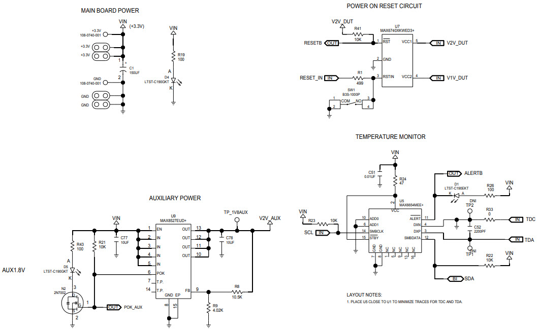
The MAX5868EVKIT-EVKIT# is an evaluation kit for the MAX5868 16-Bit, 5Gsps Interpolating and Modulating RF DAC. This kit is designed to help engineers evaluate the performance of the MAX5868 in communications and telecom applications. It includes a MAX5868 evaluation board, a USB-to-SPI interface board, and a power supply. The evaluation board features a wide range of test points and connectors for easy evaluation of the device's performance. The USB-to-SPI interface board allows for easy connection to a PC for programming and data acquisition. The power supply provides the necessary power for the evaluation board. The kit also includes a comprehensive user guide and software for programming and data acquisition.
Specifications
Maxim Integrated technical specifications, attributes, parameters and parts with similar specifications to Maxim Integrated .
- TypeParameter
- Factory Lead Time6 Weeks
- PackagingBox
- Part StatusActive
- Moisture Sensitivity Level (MSL)1 (Unlimited)
- RoHS StatusNon-RoHS Compliant
0 Similar Products Remaining
Associated Products
| Part Number | Manufacturer | Description | Stock | RFQ |
|---|---|---|---|---|
| Maxim Integrated | 5044 | RFQ | ||
| Microchip Technology | Clock Divider 1-IN LVDS 16-Pin MLF EP | 2 | BUY | |
| Maxim Integrated | MAXIM INTEGRATED PRODUCTS MAX6120EUR T. | 0 | BUY | |
| Texas Instruments | TEXAS INSTRUMENTS SN74AVC4T774PW 4 BIT BUS TRANSCEIVER, TSSOP-16 | 0 | RFQ | |
| Maxim Integrated | IC REG LINEAR 3.3V 120MA SC70-5 | 6180 | BUY | |
| Microchip Technology | EEPROM 128x16 | 0 | RFQ |


Product
Brand
Articles
Tools

































