Maxim Integrated MAX8648EVKIT+EVAL KIT MAX8648 (ULTRA-EFFICIEN
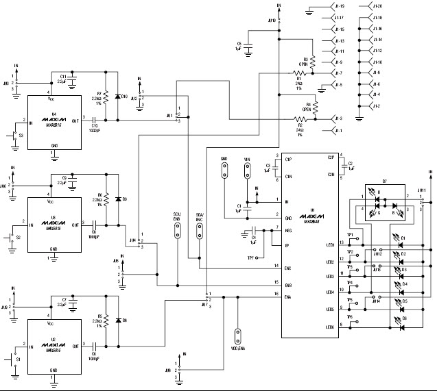
The Maxim Integrated MAX8648EVKIT-EVKIT+ is an evaluation kit for the MAX8648 1, 6-LEDs White LED Driver for Cellular Phone, Consumer Electronics, and Portable Devices. This kit includes the MAX8648 LED driver IC, a printed circuit board, and a USB cable for easy connection to a PC. The MAX8648 is a high-efficiency, low-noise, and low-cost LED driver that is ideal for powering up to 6 white LEDs in a variety of consumer electronics and portable devices. It features a wide input voltage range of 2.7V to 5.5V, adjustable output current up to 20mA, and a low shutdown current of 0.1uA. The MAX8648 also offers a wide range of dimming options, including pulse-width modulation (PWM) and analog dimming. The evaluation kit also includes a graphical user interface (GUI) for easy configuration and testing of the MAX8648.
- TypeParameter
- PackagingBox
- Part StatusActive
- Moisture Sensitivity Level (MSL)1 (Unlimited)
- RoHS StatusNon-RoHS Compliant
| Part Number | Manufacturer | Description | Stock | RFQ |
|---|---|---|---|---|
| Maxim Integrated | 0 | RFQ |


Product
Brand
Articles
Tools





