Maxim Integrated SC1905-EVK2400EVK RFPAL 2300-2700 MHZ
Description
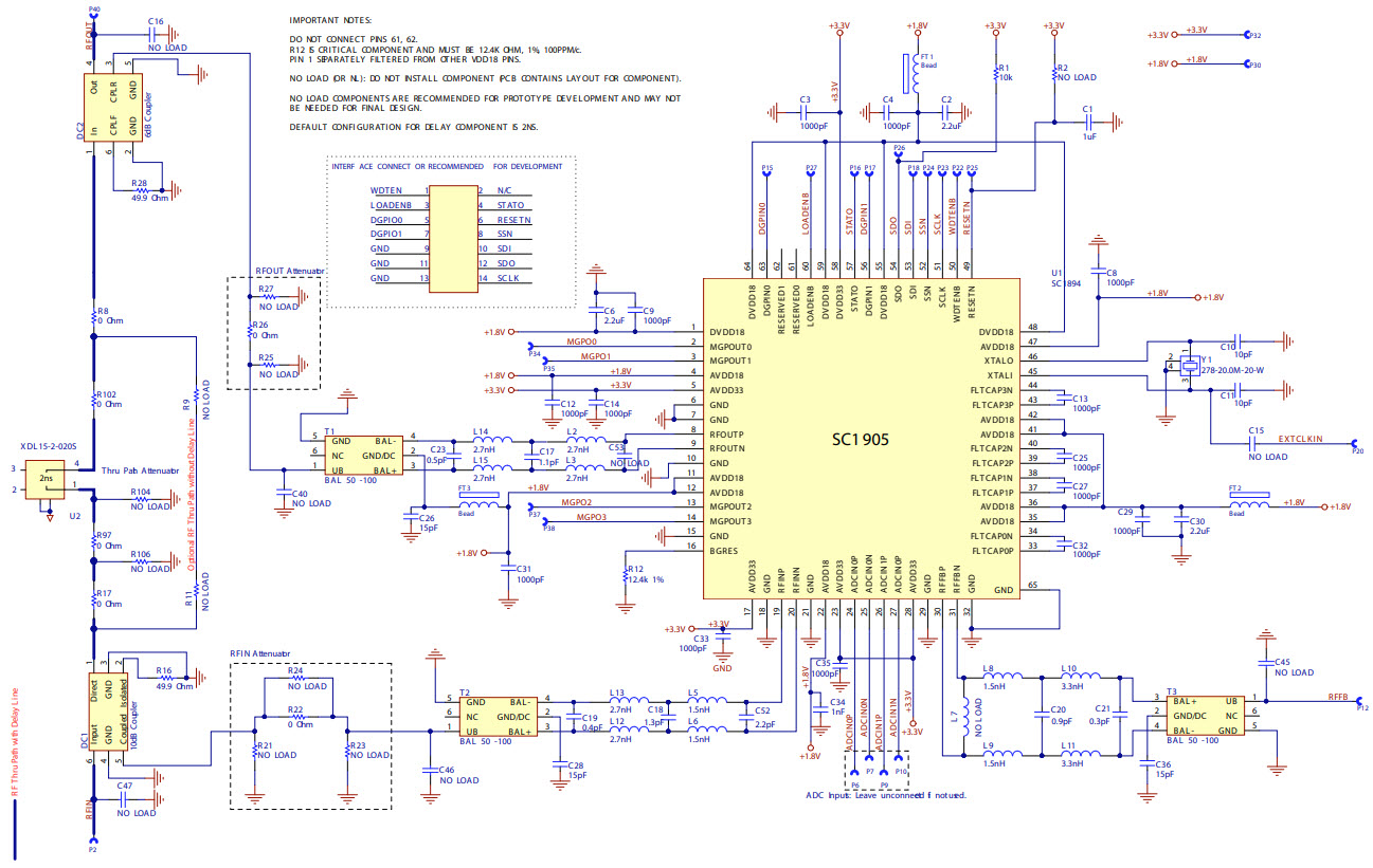
The Maxim Integrated SC1905-EVK2400 Evaluation Kit is designed to evaluate the performance of the SC1905 2300MHz to 2700MHz RF Power Amplifier Linearizer (RFPAL) Communications and Telecom IC. This kit includes a fully assembled and tested evaluation board, a power supply, and a USB cable for connection to a PC. The evaluation board features a wide range of test points and connectors for easy evaluation of the IC's performance. The board also includes a graphical user interface (GUI) for easy configuration and monitoring of the IC's performance. The SC1905-EVK2400 Evaluation Kit is an ideal tool for engineers and designers who need to evaluate the performance of the SC1905 RFPAL IC.
Specifications
Maxim Integrated technical specifications, attributes, parameters and parts with similar specifications to Maxim Integrated .
- TypeParameter
- Factory Lead Time6 Weeks
- Part StatusActive
- Moisture Sensitivity Level (MSL)1 (Unlimited)
- TypeRF Predistortion
- Frequency2.3GHz~2.7GHz
- Supplied ContentsBoard(s)
- RoHS StatusROHS3 Compliant
0 Similar Products Remaining
Technical Documents
Associated Products
| Part Number | Manufacturer | Description | Stock | RFQ |
|---|---|---|---|---|
| Analog Devices Inc. | ANALOG DEVICES - TMP36GRTZ-REEL7 - Temperature Sensor IC, Voltage, ± 3°C, -40 °C, 125 °C, SOT-23, 5 Pins | 73 | RFQ | |
| Texas Instruments | IC OPAMP GP 4 CIRCUIT 14SOIC | 0 | RFQ |


Product
Brand
Articles
Tools









