Microchip HV7331DB2RF Development Tools HV7331 +/-70V, 2.0A ULTRASOUND DEMO BRD
Description
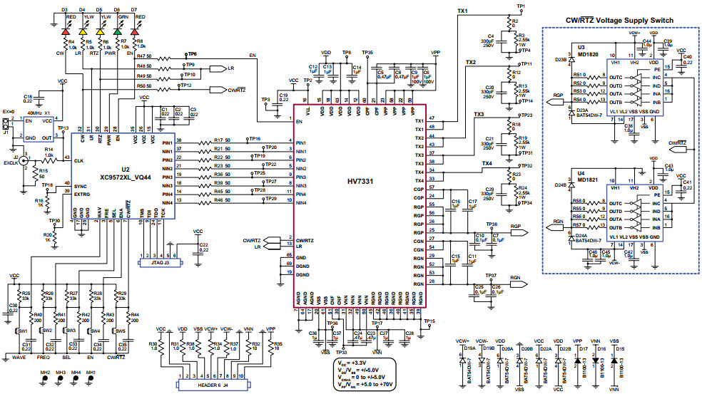
The Microchip Technology HV7331DB2-DB2, HV7331DB2, HV7331 ±70V, 2.0A, RTZ & CW Ultrasound Pulser Demo Board is a versatile and powerful tool for medical and healthcare applications. It is designed to provide a wide range of pulse widths and frequencies for ultrasound imaging and therapy. The board features a high voltage output of ±70V, a maximum current of 2.0A, and a wide range of pulse widths and frequencies. It also includes a real-time zero (RTZ) and continuous wave (CW) mode for precise control of the pulse width and frequency. The board is ideal for medical and healthcare applications such as ultrasound imaging, ultrasound therapy, and ultrasound diagnostics.
Specifications
Microchip technical specifications, attributes, parameters and parts with similar specifications to Microchip .
- TypeParameter
- Insulation Voltage300 V
- RoHSYes
- DimensionsD1,9x3,4mm
- Seriesn/a
- Tolerance±1 %
- Resistance4,7 Ohm
- CompositionMetal Film
- Termination StyleAxial
- Noten/a
- Size0204
- Rated Power0,4 W
0 Similar Products Remaining
Associated Products
| Part Number | Manufacturer | Description | Stock | RFQ |
|---|---|---|---|---|
| Holt Integrated Circuits, Inc. | 4 | RFQ |


Product
Brand
Articles
Tools












