Microchip HV7350DB1HV7350DB1 Demo Board
Description
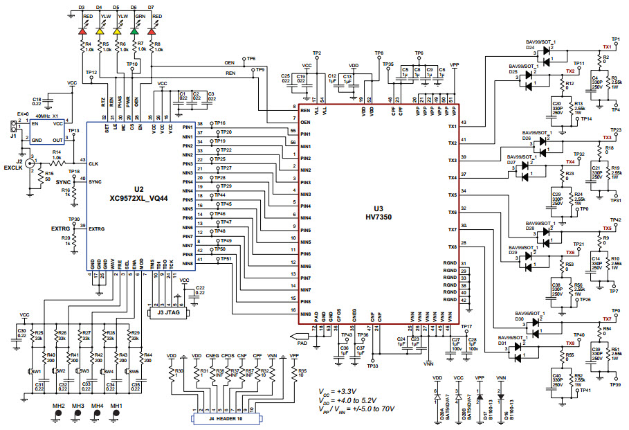
The Microchip Technology HV7350DB1-DB1, HV7350DB1, Eight Channel ±60V, ±1A, Ultrasound Pulser Demo Board, Audio Amplifier is a powerful and versatile demo board designed to demonstrate the capabilities of Microchip’s HV7350 Ultrasound Pulser. This demo board features eight channels of ±60V, ±1A output, allowing for a wide range of applications. It also includes an audio amplifier, allowing for the demonstration of ultrasound pulses in a variety of audio formats. The board is designed to be easy to use and provides a great platform for exploring the capabilities of the HV7350 Ultrasound Pulser.


Product
Brand
Articles
Tools











