Microchip Technology ADM00425MCP3910 Dual Channel ADC Evaluation Board
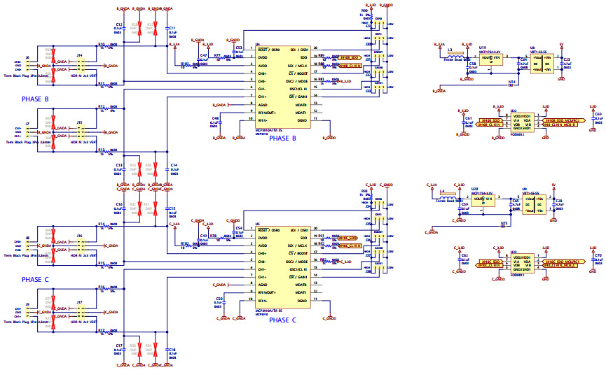
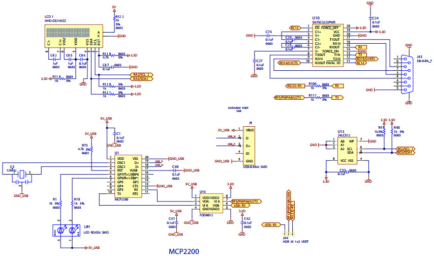
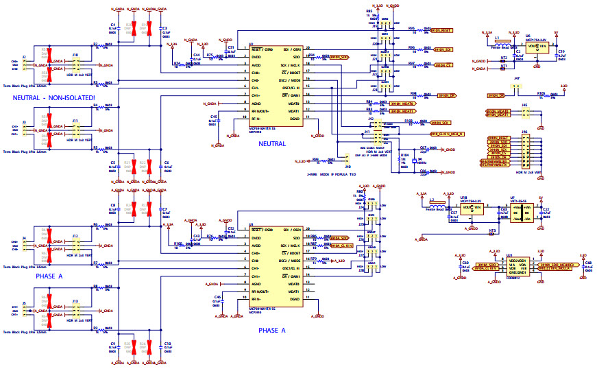
The Microchip Technology ADM00425-ADM00425 Evaluation Board is designed to evaluate the performance of the MCP3910 Analog-to-Digital Converter (ADC) for 16-bit microcontroller applications in automotive and transportation applications. The board features a 16-bit MCP3910 ADC, which is capable of sampling up to 16-bit resolution at a maximum sampling rate of 1.2 MSPS. The board also includes a 3.3V power supply, a USB interface, and a variety of connectors for connecting to external devices. The board is designed to be used with the MCP3910 Evaluation Software, which provides a graphical user interface for configuring and testing the ADC. The board is ideal for automotive and transportation applications that require high-resolution data acquisition and signal processing.
- TypeParameter
- Factory Lead Time14 Weeks
- Published2012
- Part StatusActive
- Moisture Sensitivity Level (MSL)1 (Unlimited)
- TypePower Management
- FunctionEnergy/Power Meter
- Utilized IC / PartMCP3910
- Supplied ContentsBoard(s)
- Evaluation KitYes
- RoHS StatusROHS3 Compliant
| Part Number | Manufacturer | Description | Stock | RFQ |
|---|---|---|---|---|
| Microchip Technology | IC REG LIN 3.3V 500MA SOT223-3 | 0 | RFQ | |
| Microchip Technology | MICROCHIP - MCP2200-I/SS - Interface Bridges, USB to UART, 3 V, 5.5 V, SSOP, 20 Pins, -40 °C | 0 | RFQ | |
| Microchip Technology | MICROCHIP - 24LC512-I/SN - SERIAL EEPROM, 512KBIT, 400KHZ, SOIC-8 | 200 | RFQ | |
| ON Semiconductor | OPTOISO 3.75KV 2CH PUSH PULL 8SO | 0 | RFQ | |
| Microchip Technology | Analog Front End - AFE 2 Channel Energy Meter Front End 3V | 0 | RFQ | |
| ON Semiconductor | OPTOISO 3.75KV 2CH PUSH PULL 8SO | 0 | RFQ | |
| Microchip Technology | IC REG LIN 3.3V 150MA SOT23A-3 | 0 | RFQ | |
| Texas Instruments | IC LINE DRVR/RCVR RS232 20-TSSOP | 0 | RFQ | |
| Abracon LLC | CRYSTAL 7.3728MHZ 18PF SMD | 0 | RFQ | |
| Abracon LLC | CRYSTAL 10.0000MHZ 18PF SMD | 0 | RFQ |


Product
Brand
Articles
Tools































