Maxim Integrated MAX11633EVSYS#EVALUATION SYSTEM
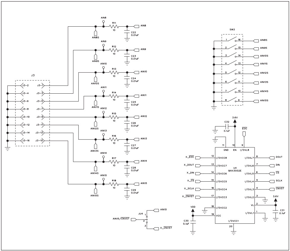
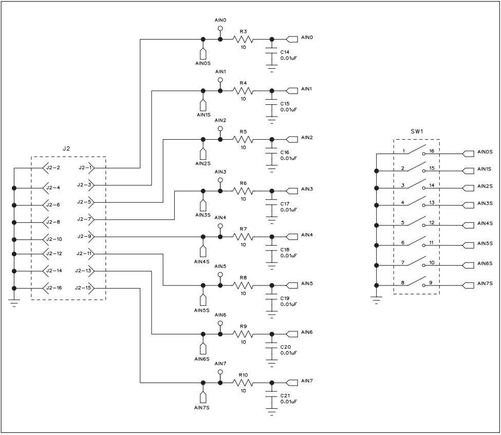
The MAX11633EVSYS# Evaluation System is a comprehensive evaluation platform for the MAX11643 8-bit, 16-channel, 300ksps ADC with FIFO, temperature sensor, 2.5V internal reference, instrumentation and measurement amplifier, and serial interface. The system includes a MAX11633EVSYS# board, a MAX11643 evaluation board, and a MAX11643 evaluation software package. The MAX11633EVSYS# board provides a complete evaluation environment for the MAX11643, including a power supply, signal conditioning, and a USB interface for communication with the evaluation software. The MAX11643 evaluation board provides a platform for testing the performance of the MAX11643 in a variety of applications. The MAX11643 evaluation software package provides a graphical user interface for configuring and testing the MAX11643. The evaluation system also includes a comprehensive set of documentation and application notes to help users get the most out of the MAX11643.
- TypeParameter
- Factory Lead Time6 Weeks
- PackagingBox
- Published2012
- Part StatusActive
- Moisture Sensitivity Level (MSL)1 (Unlimited)
- Operating Supply Voltage3V
- InterfaceSPI, Serial, USB
- Number of Bits12
- Utilized IC / PartMAX11633
- Supplied ContentsBoard(s)
- Data InterfaceMICROWIRE™, QSPI™, Serial, SPI™
- Sampling Rate300 ksps
- Evaluation KitYes
- Sampling Rate (Per Second)300k
- Number of A/D Converters1
- Input Range0 ~ VREF
- RoHS StatusNon-RoHS Compliant
| Part Number | Manufacturer | Description | Stock | RFQ |
|---|---|---|---|---|
| Maxim Integrated | IC REG BOOST ADJ/PROG 0.2A 8UMAX | 74 | RFQ | |
| Maxim Integrated | LDO Regulator Pos 1.25V to 5V5V 1A 16-Pin TSSOP EP | 667 | RFQ | |
| Maxim Integrated | 432 | RFQ |


Product
Brand
Articles
Tools




















