Maxim Integrated MAX1231BEVSYS#EVALUATION SYSTEM FOR 12BIT ADC
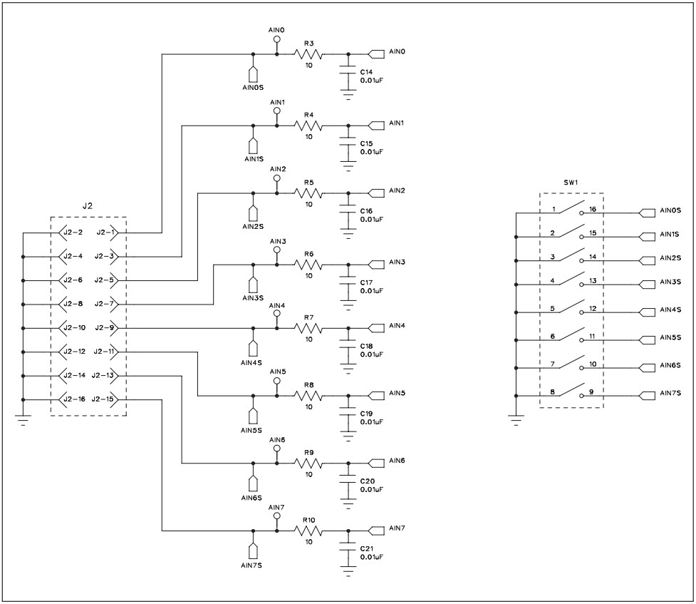
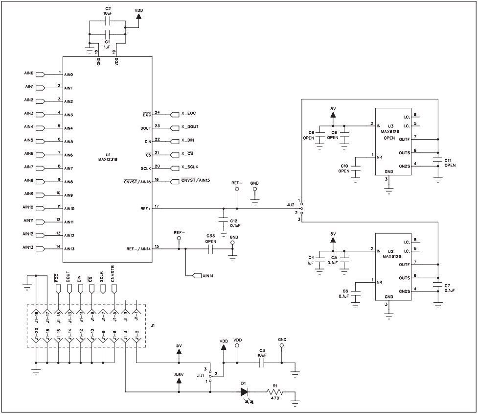
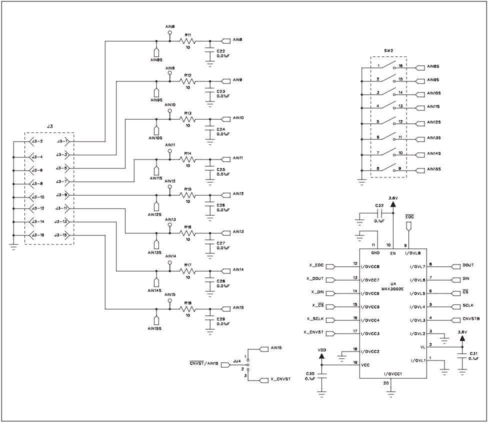
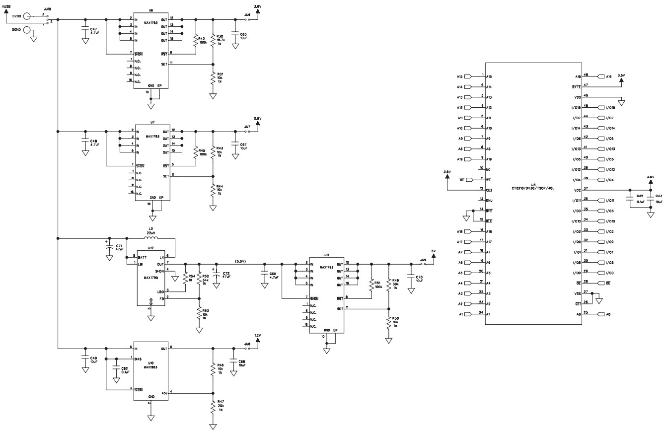
The MAX1231BEVSYS-BEVSYS# Evaluation System for the MAX1031 10-Bit, 16-Ch, 300ksps ADC with FIFO, Temp Sensor, 2.5V Internal Reference, Instrumentation and Measurement Amplifier, and Serial Interface from Maxim Integrated is a comprehensive evaluation system designed to help users evaluate the performance of the MAX1031 ADC. The system includes a MAX1231BEV board, a MAX1031BEV board, and a MAX1031BEV-CABLE cable. The MAX1231BEV board features a MAX1231BEV-SYS system controller, a MAX1231BEV-ADC ADC controller, and a MAX1231BEV-REF reference controller. The MAX1031BEV board features a MAX1031BEV-ADC ADC, a MAX1031BEV-FIFO FIFO, a MAX1031BEV-TEMP temperature sensor, and a MAX1031BEV-AMP instrumentation and measurement amplifier. The MAX1031BEV-CABLE cable connects the MAX1231BEV board to the MAX1031BEV board. The system also includes a MAX1031BEV-GUI graphical user interface for easy configuration and control of the system. The MAX1231BEVSYS-BEVSYS# Evaluation System is an ideal solution for evaluating the performance of the MAX1031 ADC.
- TypeParameter
- Factory Lead Time8 Weeks
- PackagingBox
- Published2012
- Part StatusActive
- Moisture Sensitivity Level (MSL)1 (Unlimited)
- Operating Supply Voltage3V
- Number of Bits12
- Utilized IC / PartMAX1231
- Supplied ContentsBoard(s)
- Data InterfaceSPI
- Sampling Rate300 ksps
- Evaluation KitYes
- Sampling Rate (Per Second)300k
- Number of A/D Converters1
- Input Range±VREF/2
- RoHS StatusNon-RoHS Compliant
| Part Number | Manufacturer | Description | Stock | RFQ |
|---|---|---|---|---|
| Maxim Integrated | IC ADC 10BIT 300KSPS 24-QSOP | 6 | RFQ | |
| Maxim Integrated | 432 | RFQ | ||
| Maxim Integrated | IC REG BOOST ADJ/PROG 0.2A 8UMAX | 74 | RFQ | |
| Maxim Integrated | LDO Regulator Pos 1.25V to 5V5V 1A 16-Pin TSSOP EP | 667 | RFQ |


Product
Brand
Articles
Tools































