Microchip Technology DM160230PIC18 POE MAIN BOARD
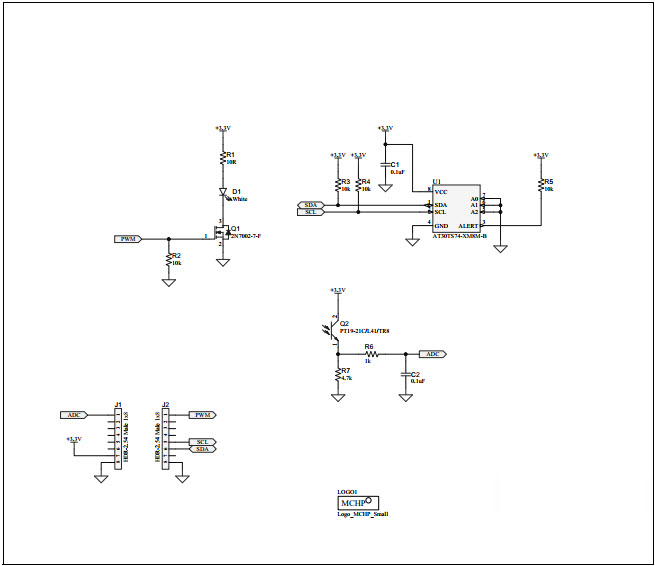
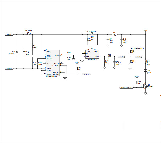
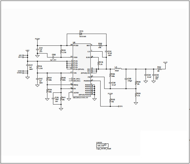
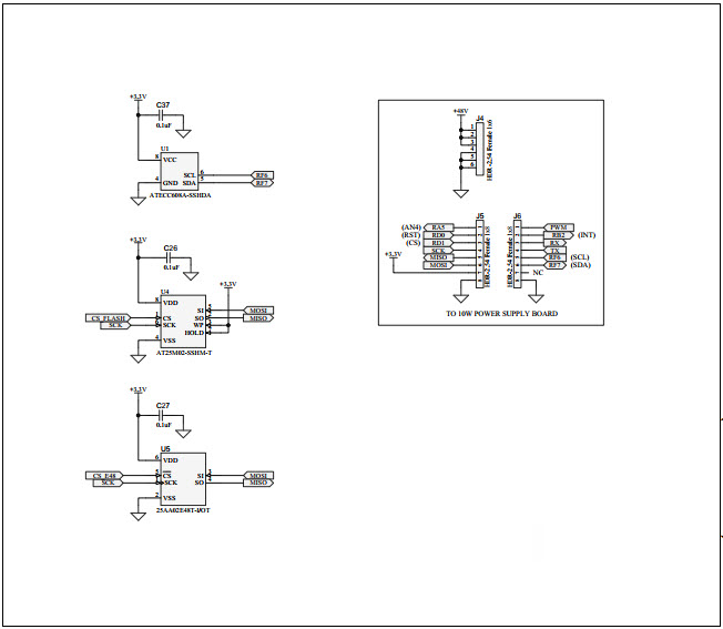
The Microchip Technology DM160230-DM160230, DM160230, PIC18 PoE Development Kit for IoT Applications, Communications and Telecom is a comprehensive development platform for designing and testing Power over Ethernet (PoE) applications. It includes a PIC18F67J60 microcontroller, a PoE interface board, and a variety of development tools. The kit is designed to enable developers to quickly and easily create PoE-enabled applications for the Internet of Things (IoT), communications, and telecom. The kit includes a PIC18F67J60 microcontroller, a PoE interface board, and a variety of development tools. The PIC18F67J60 microcontroller is a low-power, high-performance 8-bit microcontroller with integrated Ethernet and PoE support. The PoE interface board provides a convenient way to connect the microcontroller to a PoE-enabled network. The development tools include a PICkit 3 programmer/debugger, an MPLAB X IDE, and a C compiler. The kit also includes a variety of sample applications and tutorials to help developers get started quickly.
- TypeParameter
- Factory Lead Time14 Weeks
- Published2018
- Part StatusActive
- Moisture Sensitivity Level (MSL)1 (Unlimited)
- TypePower Management
- FunctionPower over Ethernet (PoE)
- Utilized IC / PartPIC18F67J60
- Supplied ContentsBoard(s)
- EmbeddedYes, MCU, 8-Bit
- RoHS StatusNon-RoHS Compliant


Product
Brand
Articles
Tools

























