Microchip Technology EVB-LAN9354EVAL BOARD FOR LAN9354
Description
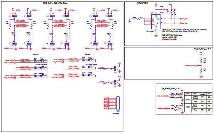
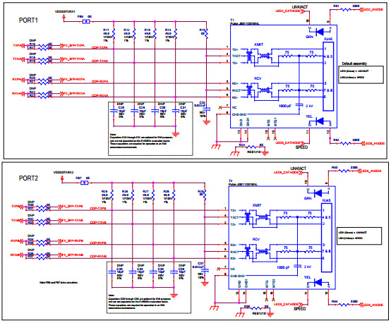
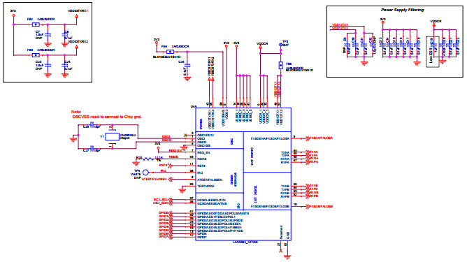
The Microchip Technology EVB-LAN9354 is an evaluation board for the LAN9354 3-Port 10/100 Managed Ethernet Switch with Single RMII. This board is designed to provide a platform for testing and evaluating the features and performance of the LAN9354 switch. It features three 10/100 Ethernet ports, a single RMII interface, and a variety of other features such as LED indicators, push buttons, and a power supply. The board also includes a comprehensive set of software tools and documentation to help users quickly and easily evaluate the switch. The EVB-LAN9354 is ideal for applications in communications and telecom, such as industrial automation, medical, and consumer electronics.
Specifications
Microchip Technology technical specifications, attributes, parameters and parts with similar specifications to Microchip Technology .
- TypeParameter
- Factory Lead Time14 Weeks
- Package / Case100
- Published2015
- Part StatusActive
- Moisture Sensitivity Level (MSL)1 (Unlimited)
- TypeInterface
- Base Part NumberLAN9354
- FunctionEthernet
- Utilized IC / PartLAN9354
- Supplied ContentsBoard(s)
- Evaluation KitYes
- Primary Attributes3-Channel (Triple)
- RoHS StatusROHS3 Compliant
0 Similar Products Remaining
Technical Documents
Associated Products
| Part Number | Manufacturer | Description | Stock | RFQ |
|---|---|---|---|---|
| Analog Devices Inc. | ANALOG DEVICES - ADUM1250ARZ - Digital Isolator, Dual, 2 Channel, 150 ns, 3 V, 5.5 V, SOIC, 8 Pins | 0 | RFQ | |
| NXP Semiconductors | MCU 16-bit/32-bit ARM7TDMI-S RISC 512KB Flash 3.3V 100-Pin LQFP | 16317 | RFQ | |
| Analog Devices Inc. | ANALOG DEVICES AD8553ARMZ Instrument Amplifier, 1, 4 V, 1.8V to 5.5V, MSOP | 10 | RFQ | |
| Analog Devices Inc. | ANALOG DEVICES ADUM1401BRWZ Digital Isolator, Quad, 4, 50 ns, 2.7 V, 5.5 V, SOIC, 16 Pins | 0 | RFQ |


Product
Brand
Articles
Tools






























