Microchip Technology EVB-USB2640Evaluation Board, Low Cost 4-Layer Space Saving Design
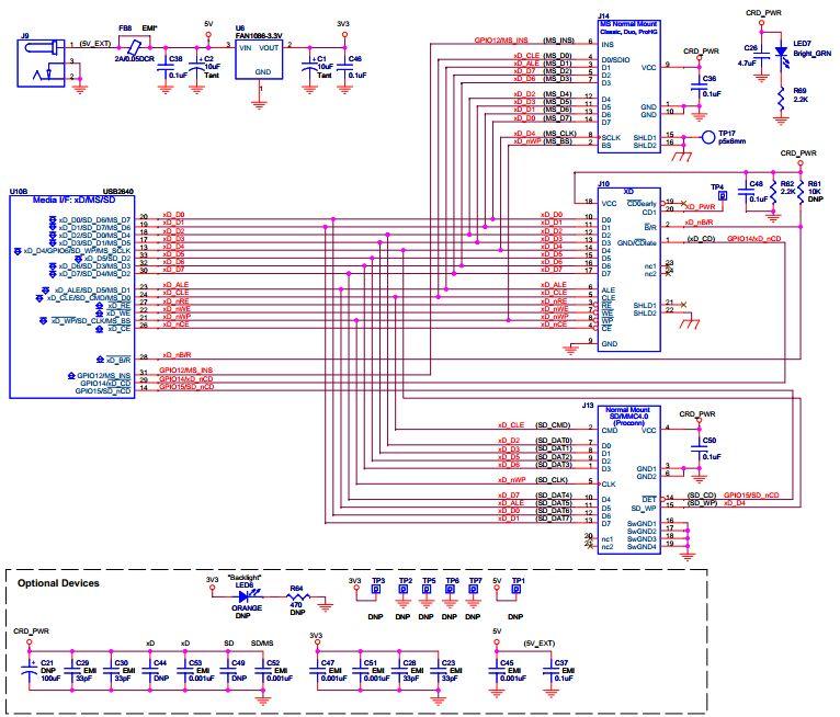
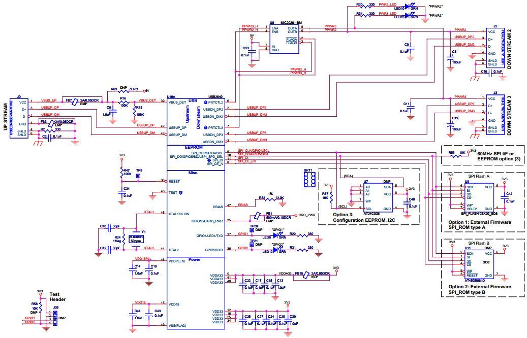
The Microchip Technology EVB-USB2640 Evaluation Board is a powerful and versatile development platform for USB 2.0, 2 port hub applications. It features an Ultra Fast Flash Media Controller, Consumer Electronics Control (CEC) and Power Delivery (PD) capabilities. The board is designed to provide a comprehensive set of features for developing and testing USB 2.0, 2 port hub applications. It includes a USB 2.0, 2 port hub, a USB 2.0, 2 port hub controller, a USB 2.0, 2 port hub transceiver, and a USB 2.0, 2 port hub power delivery controller. The board also includes a USB 2.0, 2 port hub power delivery controller, a USB 2.0, 2 port hub transceiver, and a USB 2.0, 2 port hub controller. The board also includes a USB 2.0, 2 port hub power delivery controller, a USB 2.0, 2 port hub transceiver, and a USB 2.0, 2 port hub controller. The board also includes a USB 2.0, 2 port hub power delivery controller, a USB 2.0, 2 port hub transceiver, and a USB 2.0, 2 port hub controller. The board also includes a USB 2.0, 2 port hub power delivery controller, a USB 2.0, 2 port hub transceiver, and a USB 2.0, 2 port hub controller. The board also includes a USB 2.0, 2 port hub power delivery controller, a USB 2.0, 2 port hub transceiver, and a USB 2.0, 2 port hub controller. The board also includes a USB 2.0, 2 port hub power delivery controller, a USB 2.0, 2 port hub transceiver, and a USB 2.0, 2 port hub controller. The board also includes a USB 2.0, 2 port hub
- TypeParameter
- Factory Lead Time16 Weeks
- Published2004
- Part StatusActive
- Moisture Sensitivity Level (MSL)1 (Unlimited)
- TypeInterface
- Base Part NumberUSB2640
- FunctionUSB 2.0 Hub
- Operating Supply Voltage5V
- InterfaceUSB
- Utilized IC / PartUSB2640
- Supplied ContentsBoard(s)
- REACH SVHCNo SVHC
- RoHS StatusROHS3 Compliant
| Part Number | Manufacturer | Description | Stock | RFQ |
|---|---|---|---|---|
| Analog Devices Inc. | Precision Amplifiers 50MHz Low Distort Low Noise CMOS Prec | 4000 | RFQ | |
| Analog Devices Inc. | Precision Amplifiers Prec 20MHz CMOS Quad RR | 116 | RFQ | |
| Analog Devices Inc. | ANALOG DEVICES AD8618ARZOperational Amplifier, QUAD, 20 MHz, 4 Amplifier, 12 V/s, 2.7V to 5V, SOIC, 14 Pins | 87850 | RFQ | |
| Analog Devices Inc. | ANALOG DEVICES - AD8652ARZ - OP AMP, DUAL 50MHZ RRI/O, SMD, 8652 | 5 | RFQ | |
| Analog Devices Inc. | IC POT DGTL RES 128POS SC70-6 | 9000 | RFQ | |
| Analog Devices Inc. | Precision Amplifiers Prec 20MHz CMOS Quad RR | 3000 | RFQ | |
| Analog Devices Inc. | Precision Amplifiers 50MHz Low Distort Low Noise CMOS Prec | 90000 | RFQ |


Product
Brand
Articles
Tools


















