Microchip Technology EVB-USB2514BCInterface Development Tools USB2514 Evaluation Board
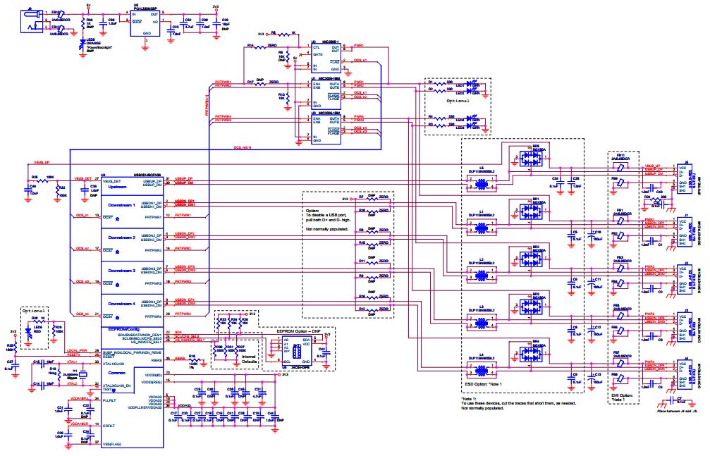
The Microchip Technology EVB-USB2514BC Evaluation Board is a comprehensive development platform for testing and evaluating the USB2514B High Speed USB 2.0 Multi TT 4 Port Hub with Battery Charging Support, Audio and GPIO. This board features four downstream ports, each with its own dedicated transceiver, allowing for simultaneous data transfer and charging of up to four devices. It also includes an audio codec, allowing for audio playback and recording, as well as a GPIO interface for connecting external devices. The board is powered by a USB 2.0 connection and is compatible with Windows, Mac, and Linux operating systems. With its comprehensive features, the EVB-USB2514BC Evaluation Board is an ideal platform for testing and evaluating the USB2514B High Speed USB 2.0 Multi TT 4 Port Hub with Battery Charging Support, Audio and GPIO.
- TypeParameter
- Factory Lead Time16 Weeks
- SeriesMultiTRAK™
- Published2004
- Part StatusActive
- Moisture Sensitivity Level (MSL)3 (168 Hours)
- TypeInterface
- Base Part NumberUSB2514B
- FunctionUSB 2.0 Hub
- Operating Supply Voltage5V
- InterfaceUSB
- Utilized IC / PartUSB2514B
- Supplied ContentsBoard(s)
- Evaluation KitYes
- Primary AttributesQuad Port Hub, High Speed (480Mbps), I2C/SMBus
- EmbeddedNo
- Secondary AttributesOvercurrent Protection, Port Power Switching, ESD Protection
- REACH SVHCNo SVHC
- RoHS StatusROHS3 Compliant
| Part Number | Manufacturer | Description | Stock | RFQ |
|---|---|---|---|---|
| Microchip Technology | MICREL SEMICONDUCTOR MIC2026-1YM.Power Distribution Switch, Current Limited, High Side, Active High, 2 Outputs, 5.5V, 0.9A, SOIC-8 | 570 | RFQ |


Product
Brand
Articles
Tools















