NXP USA Inc. MCIMX28LCDEVAL KIT W/LCD FOR I.MX28
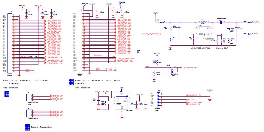
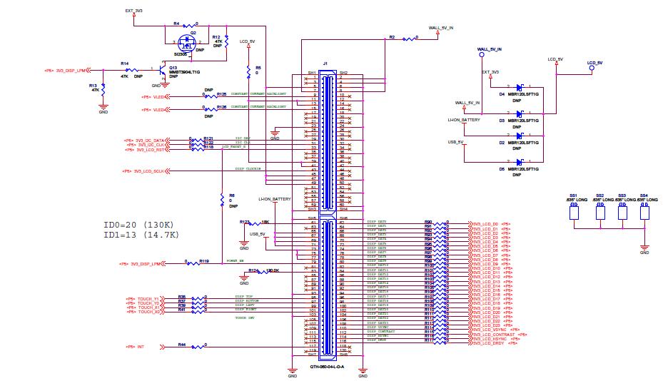
The NXP Semiconductors MCIMX28LCD-LCD, MCIMX28LCD, i.MX28 Kit Evaluation (EVK) Board is a development board designed to evaluate the features of the i.MX28 processor. It is equipped with a variety of connectors and switches, allowing for easy connection to computers and peripherals. The board features a 4.3-inch LCD display, a 10/100 Ethernet port, a USB 2.0 port, a CAN port, a JTAG port, a UART port, and a microSD card slot. The board also includes a variety of switches, including a power switch, a reset switch, a boot mode switch, and a debug switch. The board is designed to be used with a variety of development tools, including the CodeWarrior Development Studio, the i.MX28 Linux BSP, and the i.MX28 Android BSP. The board is also compatible with a variety of operating systems, including Windows, Linux, and Android. The board is equipped with a variety of connectors, including a 20-pin JTAG connector, a 10-pin JTAG connector, a 10-pin UART connector, a 10-pin CAN connector, a 10-pin Ethernet connector, a 4-pin USB connector, and a 4-pin microSD connector. The board also includes a variety of switches, including a power switch, a reset switch, a boot mode switch, and a debug switch.
- TypeParameter
- Factory Lead Time15 Weeks
- Seriesi.MX
- Published2002
- Part StatusActive
- Moisture Sensitivity Level (MSL)1 (Unlimited)
- Accessory TypeLCD Display
- RoHS StatusROHS3 Compliant
| Part Number | Manufacturer | Description | Stock | RFQ |
|---|---|---|---|---|
| ON Semiconductor | ON SEMICONDUCTOR - CAT4238TD-GT3 - LED Driver, Boost (Step Up), 2-5.5V input, 1 Output, 1 MHz switch-freq., 38V/450 mA out, TSOT-23-5 | 3600 | RFQ | |
| Analog Devices, Inc. | Charge Pump STPUP 5V 50mA 6-Pin TSOT-23 T/R | 817 | BUY | |
| Linear Technology/Analog Devices | IC REG CHARGE PUMP 3.3V SOT23 | 0 | RFQ | |
| Analog Devices, Inc. | 0 | RFQ | ||
| Analog Devices, Inc. | Switched Capacitor Regulator, 600kHz Switching Freq-Max, CMOS, PDSO6 | 0 | RFQ |


Product
Brand
Articles
Tools


















