STMicroelectronics STEVAL-IDS002V1BOARD EVAL WIRELESS PV SPV1050
Description
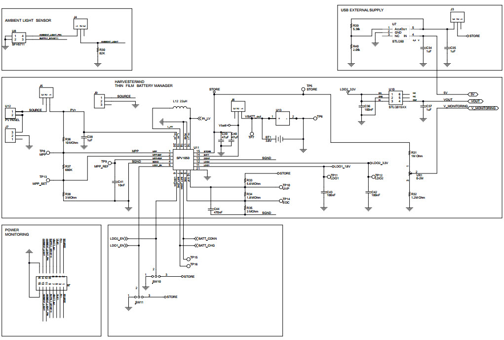
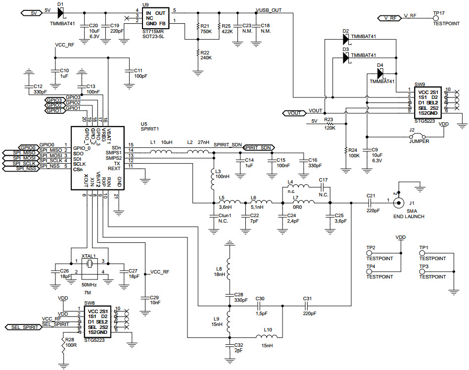
The STMicroelectronics STEVAL-IDS002V1 Autonomous Wireless Multi-Sensor Node Evaluation Kit is a powerful and versatile platform for developing and testing wireless sensor networks. It is powered by PV cells and based on the SPV1050 (SPIDEr) Instrumentation and Measurement IC. The kit includes a range of sensors, including temperature, humidity, light, and pressure, as well as a wireless transceiver and a microcontroller. It also includes a rechargeable battery and a solar panel for powering the system. The kit is designed to be easy to use and provides a comprehensive set of tools for developing and testing wireless sensor networks. It is ideal for applications such as home automation, industrial monitoring, and environmental monitoring.
Specifications
STMicroelectronics technical specifications, attributes, parameters and parts with similar specifications to STMicroelectronics .
- TypeParameter
- SeriesSPIDEr™
- Part StatusObsolete
- Moisture Sensitivity Level (MSL)1 (Unlimited)
- TypeTransmitter, Receiver
- Supplied ContentsBoard(s)
- Evaluation KitYes
- RoHS StatusROHS3 Compliant
0 Similar Products Remaining
Technical Documents
Associated Products
| Part Number | Manufacturer | Description | Stock | RFQ |
|---|---|---|---|---|
| STMicroelectronics | IC REG LIN POS ADJ 50MA SOT323-5 | 25025 | BUY | |
| STMicroelectronics | STMICROELECTRONICS LIS3DH MEMS Accelerometer, 3-Axis, Digital, X, Y, Z,2g,4g,8g,16g, 1.71 V, 3.6 V, LGA | 280000 | RFQ | |
| STMicroelectronics | IC REG LIN POS ADJ 85MA SOT23-5 | 0 | BUY | |
| OSRAM Opto Semiconductors Inc. | SENSOR OPT 555NM AMBIENT 4SMD | 32373 | RFQ | |
| STMicroelectronics | STMICROELECTRONICS - SPIRIT1QTR - HF-Transceiver, 150MHz bis 956MHz, 2FSK, ASK/GFSK, MSK, OOK, 500kB/s, 1.8V bis 3.6V, QFN-20 | 41 | RFQ | |
| OSRAM | Ambient Light Sensor Photodetector 4-Pin Chip LED | 0 | RFQ |


Product
Brand
Articles
Tools






















